Texas Instruments CD74HC4094/CD74HCT4094移位和存储总线寄存器

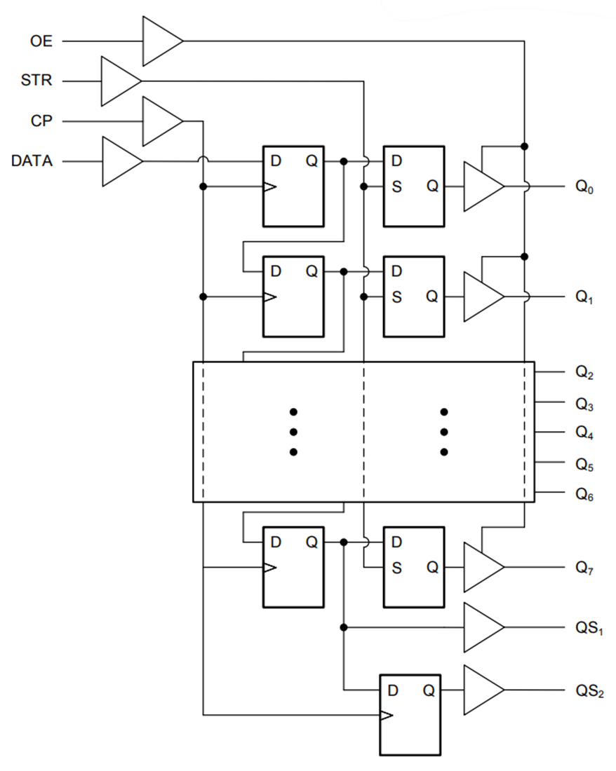
Texas Instruments CD74HC4094/CD74HCT4094 8级移位和存储总线寄存器是8级串行移位寄存器,每级均设有存储锁存器,用于将数据从串行输入到并行缓冲三态输出。并行输出可直接连接到公共总线线路。数据在正时钟转换时移位。当选通输入为高电平时,每个Texas Instruments CD74HC4094 /CD74HCT4094的每个数据都会传输到存储寄存器。当输出使能信号为高电平时,存储寄存器中的数据会出现在输出中。

特性

  • 缓冲输入
  • 与正负时钟同步的独立串行输出,用于级联
  • 扇出(超温范围)
    • 标准输出:10个LSTTL负载
    • 总线驱动器输出:15个LSTTL负载
  • 宽工作温度范围:-55°C至125°C
  • 平衡传播延迟和转换时间
  • 与LSTTL逻辑IC相比,功耗显著降低
  • HC类型
    • 2 V 至 6 V 操作
    • 高抗噪性:VCC =5V时,NIL =30%,NIH =VCC 的30%
  • HCT类型
    • 4.5 V 至 5.5 V 操作
    • 直接LSTTL输入逻辑兼容性,VIL = 0.8V(最大值),VIH = 2V(最小值)
    • CMOS输入兼容性,Il ≤ 1μA(VOL 、VOH 时)

功能框图

框图 - Texas Instruments CD74HC4094/CD74HCT4094移位和存储总线寄存器
发布日期: 2024-12-09 | 更新日期: 2024-12-13