Texas Instruments DAC38RFxx 14位9GSPS DAC
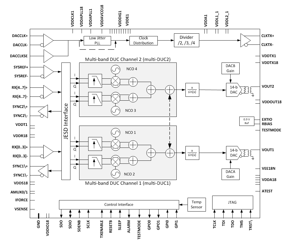
Texas Instruments DAC38RFxx 14位9GSPS数模转换器 (DAC) 能够合成从0至4.5GHz的宽带信号。高动态范围允许DAC38RFxx为各种应用生成信号,其中包括无线基站用3G/4G信号。该器件采用一个低功耗JESD204B接口,最多8个通道。它们还分别提供每通道12.5 Gbps的最大比特率和1.25 GSPS的输入数据速率组合。DAC38RFxx提供每通道两个数字升压转换器,具有多种内插速率选项。具有独立频率灵活NCO的数字正交调制器可用于支持多频段操作。可选的低抖动PLL/VCO通过允许使用较低频率参考时钟来简化DAC采样时钟生成。特性
- 14位分辨率
- 最大DAC采样速率:9GSPS
- 主要规格:
- 射频满量程输出功率(2.1GHz时):
- DAC38RF80/90/84:0dBm
- DAC38RF83/93/85:3dBm(2:1平衡-不平衡转换器)
- 频谱性能(片上PLL、DIFF):
- fDAC=5898.24MSPS,fOUT=2.14GHz
- WCDMA ACLR:75dBc
- WCDMA alt-ACLR:77dBc
- fDAC=8847.36MSPS,fOUT=3.7GHz
- 20 MHz LTE ACLR:63dBc
- fDAC=9GSPS,fOUT=1.8GHz
- IMD3=70dBc(-6dBFS,10MHz音调间距)
- NSD=–157dBc/Hz
- fDAC=5898.24MSPS,fOUT=2.14GHz
- 射频满量程输出功率(2.1GHz时):
- 双频带数字上变频器/DAC
- 6、8、10、12、16、18、20或24x插值
- 4个独立NCO,48位分辨率
- JESD204B接口,子类1
- 支持多芯片同步
- 最高通道速率:12.5Gbps
- 单端输出,集成平衡-不平衡变换器 (DAC38RF80/90/84),700MHz至3800MHz
- 内部PLL和VCO,带旁路
- FC(VCO)=5.9或8.9GHz
- 功率耗散:1.4至2.2W/ch
- 电源:–1.8V、1V、1.8V
- 封装:10x10mm BGA,0.8mm节距,144焊球
应用
- 无线通信
- 通信测试设备
- 任意波形发生器
- 军用软件定义无线电
- 雷达和卫星通信 (SATCOM)
框图
发布日期: 2017-04-17
| 更新日期: 2022-04-25
