TI DAC39RF12和DAC39RFS12 DAC可在超过10GHz的载波频率下生成高达12GHz、7.5GHz和6GHz的信号带宽(8位、12位和16位输入分辨率),从而支持对C带至X带进行直接采样。
高采样率、输出频率范围、64位NCO频率分辨率和任何具有相位相干性的跳频也使得该器件能实现任意波形生成(AWG)和直接数字合成(DDS)。
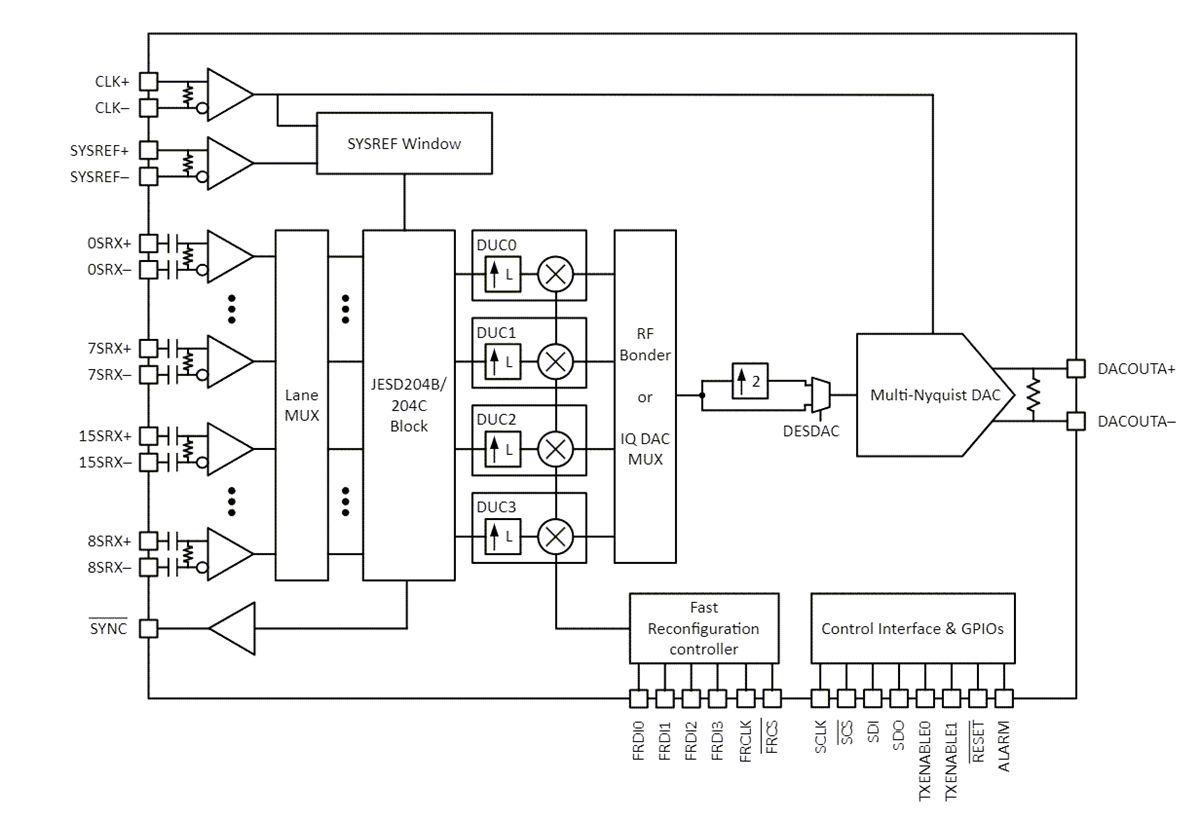
符合JESD204B和JESD204C标准的串行接口具有16个接收器对,速率高达12.8Gbps。该接口符合JESD204B和JESD204C子类1标准,可通过使用SYSREF实现确定性延迟和多器件同步。
特性
- 16位、12/24GSPS、多奈奎斯特DAC内核
- 最大输入数据速率:
- 8位、单通道、DES模式:24GSPS
- 12位、单通道、DES模式:15.5GSPS
- 16位、单通道:12GSPS
- 8位、双通道:12GSPS
- 12位,双通道:7.75GSPS/通道
- 16位,双通道:6.2GSPS/通道
- 输出带宽(-3dB):12GHz
- fOUT = 2.997 GHz、DES2XL模式、DEM/抖动关闭时的性能
- 本底噪声(小信号):-155dBFS/Hz
- SFDR(-0.1dBFS):-60dBc
- IMD3(每个音调为-7dBFS):-60dBc
- 附加相位噪声,10kHz偏移:-137dBc/Hz
- 四个集成式数字上变频器(DUC)
- 内插:1x、2x、3x、4x、6x、8x...256x
- 用于I/Q输出的复基带DUC
- 用于双通道直接射频采样的复数到实数上变频
- 64位频率分辨率NCO
- 快速重配置接口,可实现快速跳频
- 具有200MHz时钟的4位数据
- 60ns重新配置(32位频率)
- 具有相位相干性的任何跳频
- JESD204C接口
- 最多16条通道,速率高达12.8Gbps
- 符合CS类子类1
- 内部交流耦合电容器
- 用于自动SYSREF计时校准的SYSREF窗口
应用
- 卫星通信(SATCOM)
- 相控阵天线系统
- 合成孔径雷达(SAR)激励器
- 无线通讯测试仪
- 任意波形发生器(AWG)
单通道框图
双通道框图
发布日期: 2024-01-25
| 更新日期: 2024-01-30

