TI DAC43902-Q1汽车智能DAC可自动检测I2C或SPI,并具有内部基准。该功能集与微型封装和低功耗相结合,凭借这组特性以及微型封装和低功耗特点,DAC43902-Q1非常适合汽车照明动画应用。
特性
- 符合汽车应用类AEC-Q100标准:
- 温度等级1级:-40°C至+125°C,TA
- 数字引脚上的脉宽调制(PWM)输出(218Hz至48.8kHz)
- 对数调光
- 具有GPIO控制的LED淡入淡出
- 配置为GPIO的可编程比较器和DAC
- 自动检测I2C或SPI
- 1.62V VIH,VDD = 5.5V
- 顺序转向指示灯动画
- VREF/MODE引脚可在编程模式和独立模式之间进行选择
- 用户可编程的非易失性存储器 (NVM)
- 内部、外部或电源作为基准
- 宽工作范围
- 电源范围:1.8 V至5.5 V
- 温度范围:-40˚C至+125˚C
- 微型封装:16引脚WQFN(3mm × 3mm)
应用
- 尾灯
- 小灯
- 车内灯
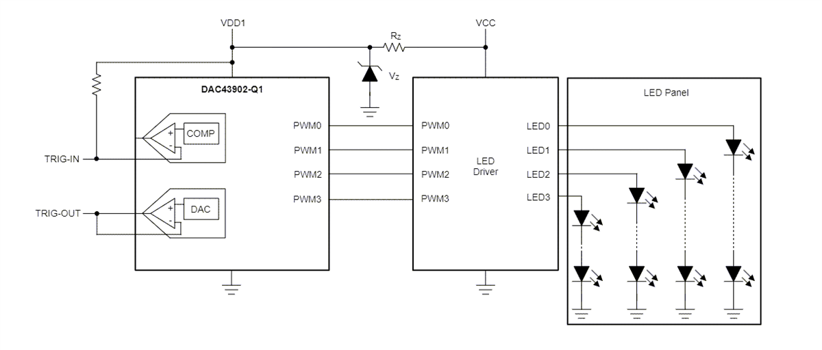
使用DAC43902-Q1顺序转向指示灯动画
功能框图
发布日期: 2024-01-25
| 更新日期: 2025-05-06

