Texas Instruments DAC53xAxW电流源DAC
Texas Instruments DAC53xAxW电流源数模转换器 (DAC) 是10位缓冲电压输出和电流输出智能数模转换器 (DAC)。DAC53xAxW器件支持电流源,可用于激光二极管和微型电机的线性控制。这些器件支持Hi-Z掉电模式和电压输出断电条件下的Hi-Z输出。通道1可配置为电压输出DAC或比较器。该电压输出DAC提供强制感应选项,用作可编程比较器和电流阱。借助多功能GPIO、功能生成和可编程非易失性存储器(NVM),这些智能DAC可用于无处理器应用和设计重用。这些器件自动检测SPI或I2C接口,包含一个内部基准。Texas Instruments DAC53xAxW的功能集与微型封装和低功耗相结合,使这些智能DAC成为相机镜头自动对焦和变焦应用中激光二极管功率控制和音圈电机 (VCM) 控制等应用的理想之选。
特性
- 电流源DAC
- 1 LSB DNL
- 两个量程(300mA和220mA)
- 770mV余量
- 双(仅DAC532A3W)电压输出DAC
- 1 LSB DNL
- 1×、1.5×、2×、3×和4×增益
- 通道1上的可编程比较器模式
- VDD 关闭时可提供高阻抗输出
- 高阻抗和电阻式下拉掉电模式
- 50 MHz SPI兼容型接口
- 自动检测I2C或SPI(1.62V VIH,VDD = 5.5V时)
- 可配置为多种功能的通用输入/输出 (GPIO)
- 预定义波形生成(正弦、余弦、三角和锯齿)
- 用户可编程的非易失性存储器 (NVM)
- 内部或电源作为基准
- 宽工作范围
- 电源范围:3 V至5.5 V
- 温度范围:-40°C至+125°C
应用
- 平板电脑(多媒体)
- Chrome笔记本和WOA
- 仪表板相机
- 内窥镜
- 模拟安全摄像头
- 无线安全摄像头
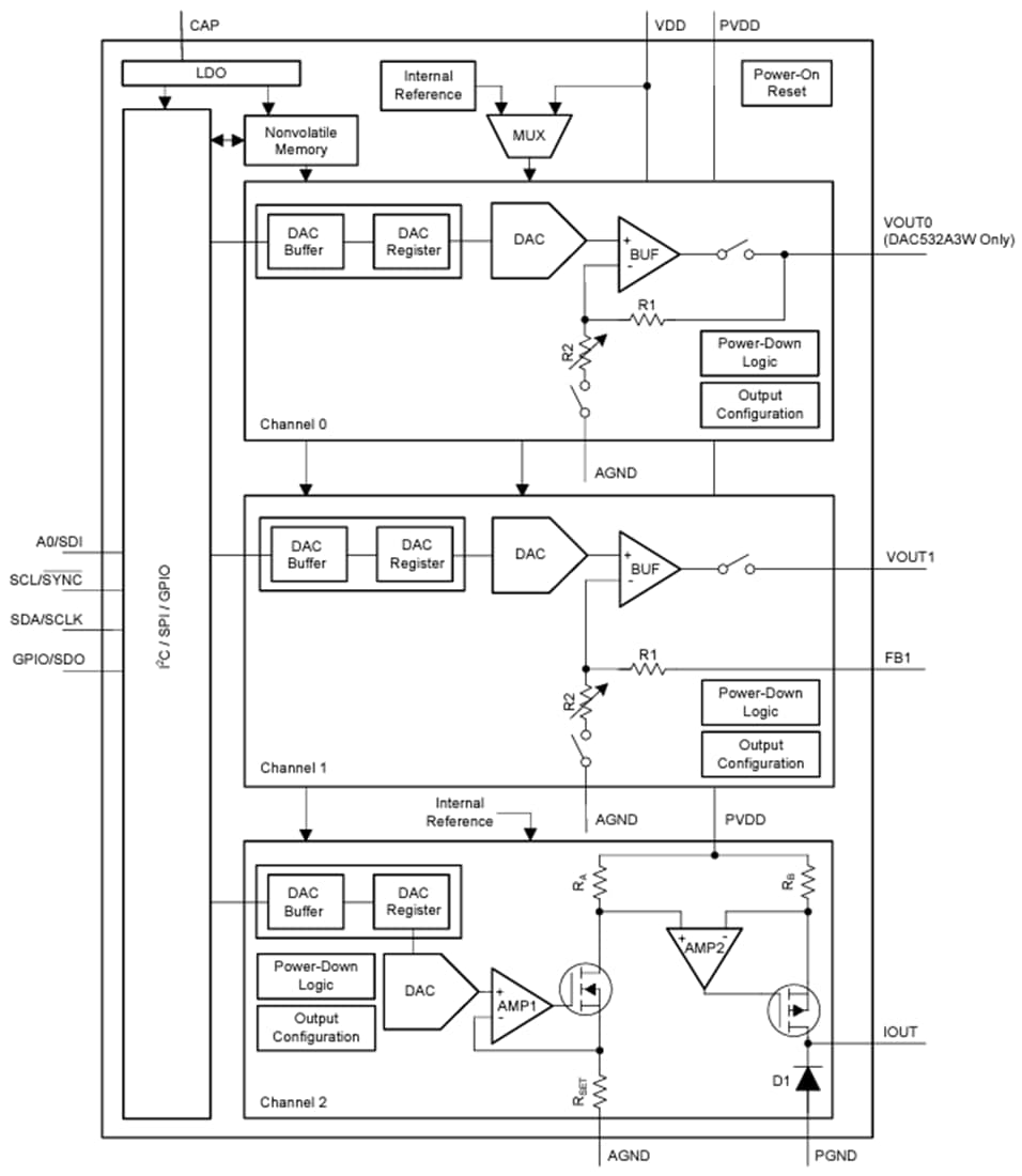
功能框图
发布日期: 2024-03-13
| 更新日期: 2024-03-21
