特性
- 宽工作电压范围:4.5V – 18V
- 集成负载突降保护:40V
- 大电流驱动(3A峰值电流)
- 低RDS(on),完整H桥输出
- 集成诊断
- 集成故障保护
- 40V负载突降保护,符合ISO-7637-2标准
- 短路保护
- 过热保护
- 过压和欠压保护
- 故障报告
- 模拟输入
- I2C通信
- 专用中断引脚
- 符合AEC-Q100 2级标准
- 环境温度范围:–40ºC至125ºC
- 通过ISO9000: 2002 TS16949认证
应用
- 电磁致动器驱动器
- 音圈
- 螺线管
- 机械按钮替代产品
- 汽车类触觉应用
- 信息娱乐
- 中央控制台
- 方向盘
- 车门板
- 座椅
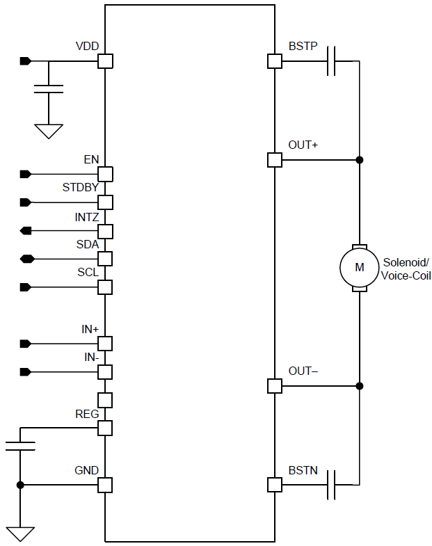
简化示意图
发布日期: 2017-03-06
| 更新日期: 2025-03-05

