Texas Instruments DRV2901具有一个片上集成创新保护系统,可保护器件免受可能损坏系统的各种故障条件的影响。这些保护是短路保护、过流保护、欠压保护和过热保护。DRV2901具有一个专有限流电路,可降低在高电平瞬态期间器件关断的可能性。
特性
- 12V-48V宽电源电压运行
- 支持高达50W峰值电源
- 集成自我保护电路,包括
- 短路
- 过流
- 欠压
- 过热
- 具有90mΩ输出MOSFET的高效功率级
- 于加电保护的上电复位,无任何电源定序
- 44引脚HTSSOP封装 (DDV)
- 工作温度范围:-40°C至+125°C
应用
- 热成像摄像头
- 交通监控摄像头
- 无人机视觉
- 机器视觉相机
- 无线安全摄像头
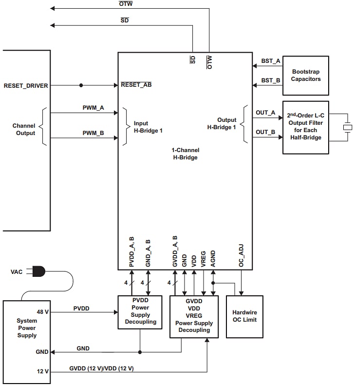
功能框图
发布日期: 2023-01-19
| 更新日期: 2024-07-11

