Texas Instruments DRV81008-Q1 8通道低侧驱动器
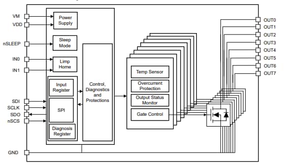
Texas Instruments DRV81008-Q1 8通道低侧驱动器在所有八个通道同时打开时支持每个输出330mA电流。该驱动器还支持limp home模式,用于故障安全激活。DRV81008-Q1驱动器包含两个具有映射功能的并行输入。该驱动器通过开路负载(关断状态下)和短路检测提供负载诊断。DRV81008-Q1驱动器具有42V最小漏极-源极钳位电压、用于诊断的16位SPI接口、集成反向电池保护和静电放电(ESD)保护。该驱动器符合汽车应用标准。DRV81008-Q1驱动器用于暖通空调控制、区域控制模块(ZCM)、车辆控制单元(VCU)和气动阀等应用。特性
- 模拟电源电压范围:3V至40V
- 启动时电压可低至3V
- 支持LV124汽车标准
- 漏极-源极钳位电压:42V(最小值)
- 2个并行输入,具有映射功能
- RDS(ON):700mΩ(12V、25°C时典型值)
- 每个输出电流:330mA(85°C时,所有通道打开)
- 支持多种保护功能:
- 集成反向电池保护
- 过流闭锁
- 热关断闭锁
- 对地和电池短路保护
- 在欠压条件下稳定工作
- 电池失效和接地失效保护
- 静电放电 (ESD) 保护
- 3V至5.5V数字电源电压:
- 兼容3.3V和5V微控制器
- 用于控制和诊断的16位SPI接口
- 菊花链功能
- 兼容8位器件
- 支持诊断功能:
- 通过SPI寄存器提供诊断信息
- 导通状态下过载检测
- 关闭状态下提供开路负载检测
- 输入和输出状态监控器
应用
- 区域控制模块(ZCM)
- 暖通空调控制
- 汽车车身控制模块 (BCM)
- 汽车照明
- 车辆控制单元 (VCU)
- 可编程逻辑控制器(PLC)
- 气动阀
- 通用继电器驱动器
- 汽油和柴油发动机
功能框图
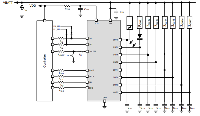
应用原理图
其他资源
发布日期: 2025-01-21
| 更新日期: 2025-05-06
