该器件支持各种保护特性,如欠压、过压、短路和开路负载检测。Texas Instruments DRV81620-Q1集成度高,具有嵌入式保护和诊断特性,因此非常适合用于汽车车身和动力总成应用。
特性
- 符合汽车应用类AEC-Q100标准,工作温度为1级,-40°C至+125°C,TA
- 支持功能安全,并有文档协助功能安全设计
- 模拟电源电压范围:3V至40V
- 起动电压可低至3V
- 支持LV124汽车标准
- 3V至5.5V数字电源电压,兼容3.3V和5V微控制器
- 漏极-源极钳位电压:42V(最小值)
- 最大源极至接地钳位电压:-18V
- RDS(ON):700mΩ(12V、25°C时典型值)
- 85°C时每输出电流为330mA(所有通道处于打开状态)
- 两个并行输入,具有映射功能
- 使用nSLEEP和IN引脚,在跛行 (Limp Home) 模式下激活故障安全
- 两个独立的内部PWM发生器
- 灯泡浪涌模式 (BIM),用于驱动2W/5W灯具和其他容性负载
- 低电流休眠模式,TJ ≤ 85°C时< 3µA
- 用于控制和诊断的16位SPI
- 菊花链功能
- 兼容8位SPI器件
- 支持各种保护特性
- 反向电池保护
- 对地和电池短路保护
- 在欠压条件下稳定工作
- 过流闭锁
- 过热警告
- 热关断锁闭
- 过压保护
- 电池失效和接地失效保护
- 静电放电 (ESD) 保护
- 支持多种诊断特性
- 通过SPI寄存器提供诊断信息
- 导通状态下的过载检测
- 打开和关闭状态下的开路负载检测
- 输入和输出状态监控器
应用
- 区域控制模块 (ZCM)
- 汽车车身控制模块 (BCM)
- 汽车照明
- 汽油和柴油发动机
- 车辆控制单元 (VCU)
- 可编程逻辑控制器 (PLC)
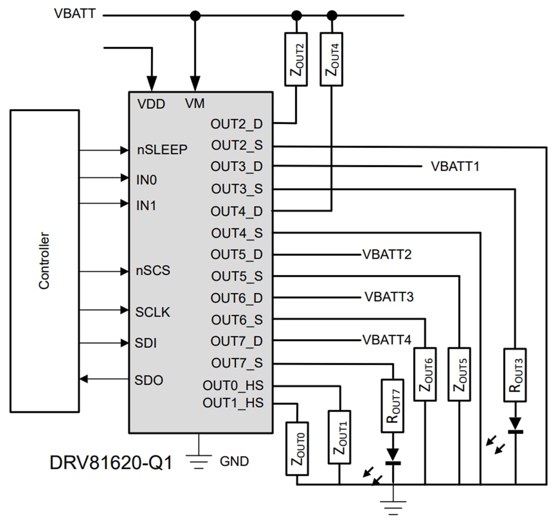
简化示意图
发布日期: 2025-04-24
| 更新日期: 2025-05-05

