Texas Instruments DRV8300/DRV8300-Q1三相栅极驱动器
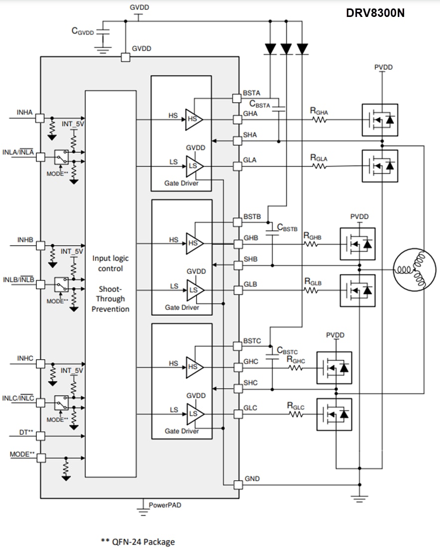
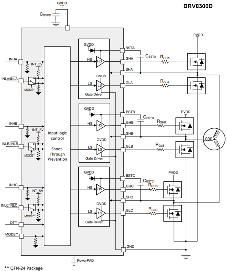
Texas Instruments DRV8300/DRV8300-Q1三相栅极驱动器设有三个半桥栅极驱动器,每个均可驱动高侧和低侧N通道功率MOSFET。DRV8300D/DRV8300D-Q1使用集成式自举二极管和外部电容器为高侧MOSFET生成正确的栅极驱动电压。DRV8300N使用外部自举二极管和外部电容器为高侧MOSFET生成正确的栅极驱动电压。GVDD用于为低侧MOSFET生成栅极驱动电压。Texas Instruments DRV8300/DRV8300-Q1栅极驱动架构支持高达750mA拉电流和1.5A灌电流峰值。相位引脚SHx可耐受重大负电压瞬变,而高侧栅极驱动器电源BSTx和GHx可支持更高正电压瞬变 (115V) 绝对最大电压。该功能可提高系统的稳健性。较小传播延迟和延迟匹配性能规格可最大限度地降低死区时间要求,进一步提高了效率。通过GVDD和BST欠压锁定为低侧和高侧提供欠压保护。DRV8300-Q1器件符合汽车应用类AEC-Q100标准。
特性
- 一个三半桥栅极驱动器
- 驱动三个高侧和三个低侧N沟道MOSFET (NMOS)
- 集成式自举二极管(DRV8300D器件)
- 支持反相和同相INLx输入
- 自举栅极驱动架构
- 拉电流:750mA
- 灌电流:1.5A
- 支持高达15s电池供电应用
- SHx引脚上低漏电流 (<55µA)
- 绝对最大BSTx电压高达115V
- 支持SHx引脚上高达-22V负瞬态电压
- 内置防交叉传导功能
- 通过DT引脚可调死区时间,用于QFN封装型号
- TSSOP封装型号的固定死区时间插入为200nS
- 支持3.3V和5V逻辑输入,最大绝对电压为20V
- 4nS典型传播延迟匹配
- 紧凑型QFN和TSSOP封装
- 高效的系统设计,带电源模块
- 集成保护特性
- BST欠压闭锁 (BSTUV)
- GVDD欠压 (GVDDUV)
应用
- 电动自行车、电动踏板车和电动交通
- 风扇、泵和伺服驱动器
- 无刷直流 (BLDC) 电机模块和PMSM
- 无绳园艺和电动工具、割草机
- 无绳真空吸尘器
- 无人机、机器人和RC玩具
- 工业和物流机器人
发布日期: 2021-01-19
| 更新日期: 2022-05-20
