Texas Instruments DRV8312三相无刷直流电机驱动器
Texas Instruments DRV8312三相无刷直流电机驱动器是带有高级保护系统的高性能、集成式三相电机驱动器。得益于功率MOSFET的低RDS (on) 值和智能栅极驱动设计,这些电机驱动器的效率可高达97%,因此可以使用更小电源和散热片,是节能型应用的理想选择。DRV8312/32需要两个电源,一个电压为12V,用于GVDD和VDD,另一个高达50V,用于PVDD。DRV8312/32可在高达500kHz的开关频率下工作,同时仍保持精密控制和高效率。它们还有创新的保护系统,用于保护器件,防止各种故障可能对系统造成的损坏。特性
- 高效率功率级 (高达97%),带低RDS(on) MOSFET(80m,在TJ = 25°C条件下)
- 工作电源电压高达50V(70V最大绝对值)
- DRV8312(power pad向下):高达3.5A连续相电流(6.5A峰值)
- DRV8332(power pad向上):高达8A连续相电流(13A峰值)
- 独立控制三个相位
- PWM工作频率高达500kHz
- 集成各种自我保护电路,包括欠压、过热、过载和短路
- 可编程逐周期限流保护
- 针对各半桥的独立电源和接地引脚
- 智能栅极驱动和交叉传导预防
- 无需外部缓冲器或肖特基二极管
应用
- 无刷直流电机
- 三相永磁同步电机
- 逆变器
- 半桥驱动器
- 机器人控制系统
Datasheets
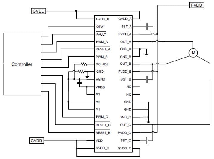
应用简图
发布日期: 2019-08-06
| 更新日期: 2023-10-17
