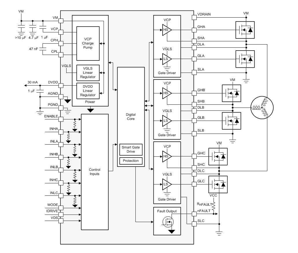
该器件具有以下内部保护功能:欠压锁定、电荷泵故障、MOSFET过流、MOSFET短路、电源和接地相位节点短路、栅极驱动器故障和过热保护等等。低功耗休眠模式用于实现较低的静态电流。DRV8340-Q1器件符合汽车应用类AEC-Q100标准。
特性
- 符合汽车应用类AEC-Q100标准
- 温度等级1:–40°C≤ TA ≤125°C
- 三个独立的半桥栅极驱动器
- 专用源极 (SHx) 与漏极 (DLx) 引脚支持独立MOSFET控制
- 驱动3个高侧和3个低侧N通道MOSFET (NMOS)
- 智能栅极驱动架构
- 可调压摆率控制
- 1.5mA至1A峰值拉电流
- 3mA至2A峰值灌电流
- 支持100%占空比的电荷泵栅极驱动器
- 提供有SPI (S) 和硬件 (H) 接口
- 6x、3x、1x和独立PWM模式
- 支持3.3V和5V逻辑输入
- 电荷泵输出可用于驱动反向电源保护MOSFET
- 3.3V、30mA线性稳压器
- 集成保护特性
- VM欠压闭锁 (UVLO)
- 电荷泵欠压 (CPUV)
- 电池短路 (SHT_BAT)
- 接地短路 (SHT_GND)
- MOSFET过流保护 (OCP)
- 栅极驱动器故障 (GDF)
- 过热报警和关断 (OTW/OTSD)
- 故障状态指示器 (nFAULT)
应用
- 12V和24V汽车电机控制应用
- BLDC和BDC电机模块
- 风扇和鼓风机
- 燃油泵和水泵
- 电磁阀驱动
功能框图
发布日期: 2019-07-17
| 更新日期: 2025-03-06

