Texas Instruments DRV8376-Q1三相集成FET电机驱动器
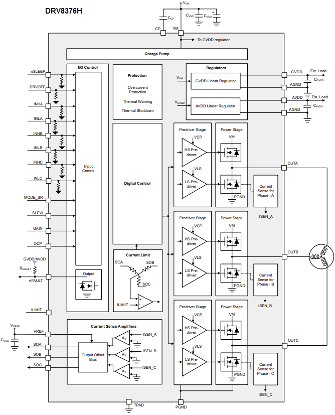
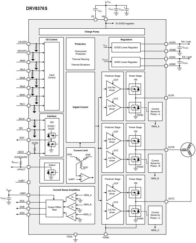
Texas Instruments DRV8376-Q1三相集成FET电机驱动器提供栅极驱动器和功率级,用于驱动4.5V至65V无刷直流电机。这些电机驱动器集成了三个1/2-H桥,其绝对最大额定值为70V,并具有400mΩ的极低RDS(ON)(高侧加低侧)。DRV8376-Q1电机驱动器支持高达100kHz PWM频率、用于限制相电流的逐周期电流限制、主动消磁和48V系统。这些设备包含6个或3个PWM控制选项,用于通过外部微控制器实现有传感器或无传感器的场定向控制 (FOC)、正弦控制或梯形控制。DRV8376-Q1设备符合AEC-Q100汽车应用标准。典型应用包括无刷直流 (BLDC) 电机模块、HVAC电机、办公自动化机器、工厂自动化和机器人、无线天线电机以及无人机。DRV8376-Q1驱动器包括内置3.3V (5%)、30mA LDO稳压器和内置5V (5%)、30mA LDO稳压器。保护功能包括欠压锁定 (UVLO)、电荷泵欠压(CPUV)、过电流保护 (OCP)、热警告和关闭 (OTW/OTSD) 以及故障条件指示引脚 (nFAULT)。
特性
- 三相BLDC电机驱动器:
- 支持48 V系统
- 支持高达100 kHz的PWM频率
- 主动消磁以减少功率损耗
- 循环电流限制以限制相电流
- 4.5 V至65 V工作电压(绝对最大值70 V)
- 高峰值输出电流处理能力:4.5 A
- 低MOSFET导通电阻:400mΩRDS(ON) (HS + LS),TA = 25°C
- 可调转换速度选项,通过1.1V/ns的转换速度和反向恢复损耗最小化技术,可降低开关损耗
- 低可闻噪声、易于电机控制,具有超低死区时间<><>
- 低功耗睡眠模式:典型值为 1.5µA(VVM = 24V、TA = 25°C时)
- 多种控制接口选项:
- 6个PWM控制接口
- 3个PWM控制接口
- 无需外部电流感测电阻器,内置电流检测
- 灵活的设备配置选项:
- DRV8376S:5MHz 16位SPI用于设备配置和故障状态
- DRV8376H:基于硬件引脚的配置
- 支持1.8 V、3.3 V和5 V逻辑输入
- 内置3.3 V (5%)、30 mA LDO 稳压器
- 内置5 V (5%)、30 mA LDO 稳压器
- 集成保护特性:
- 电源欠压闭锁 (UVLO)
- 电荷泵欠压 (CPUV)
- 过电流保护 (OCP)
- 热警告和关闭 (OTW/OTSD)
- 故障条件指示引脚 (nFAULT)
- 可选择通过SPI进行故障诊断
应用
- 无刷直流 (BLDC) 电机模块
- HVAC电机
- 办公自动化设备
- 工厂自动化和机器人
- 无线天线电机
- 无人机
原理图
发布日期: 2025-07-03
| 更新日期: 2025-07-28
