低功耗休眠模式通过关断大部分内部电路来实现超低静态电流消耗。内部保护特性包括欠压、过流和过热。DRV8410属于具有引脚对引脚、可扩展RDS(ON) 选项的器件系列,可以通过最少的设计变更来支持各种负载。
特性
- 双路半桥电机驱动器,可以驱动 -
- 一个双极步进电机
- 一个或两个有刷直流电机
- 螺线管和其他电感负载
- 低导通电阻:HS + LS =800mΩ(典型值,25°C)
- 宽电源电压范围:1.65V至11V
- 引脚对引脚兼容 -
- DRV8833:360mΩ/桥
- DRV8833C:1735mΩ/桥
- DRV8847:1000MΩ/桥
- DRV8411:400mΩ/桥
- DRV8411A:400mΩ/桥
- 2.5A峰值高输出电流能力
- PWM控制接口
- 支持1.8V、3.3V和5V逻辑输入
- 集成电流调节
- 低功耗睡眠模式:≤30nA(VVM = 5V、TJ = +25°C时)
- 小型封装尺寸和占位面积
- 带PowerPAD™的16引脚HTSSOP,5.0mm x 4.4mm
- 带PowerPAD™的16引脚WQFN,3.0mm × 3.0mm
- 集成保护特性
- VM欠压闭锁 (UVLO)
- 自动重试过流保护 (OCP)
- 热关断 (TSD)
- 故障指示引脚(nFAULT)
应用
- 电池供电玩具
- POS机
- 视频安防摄像头
- 办公自动化设备
- 游戏机
- 机器人
- 电子智能锁
- 通用电磁阀负载
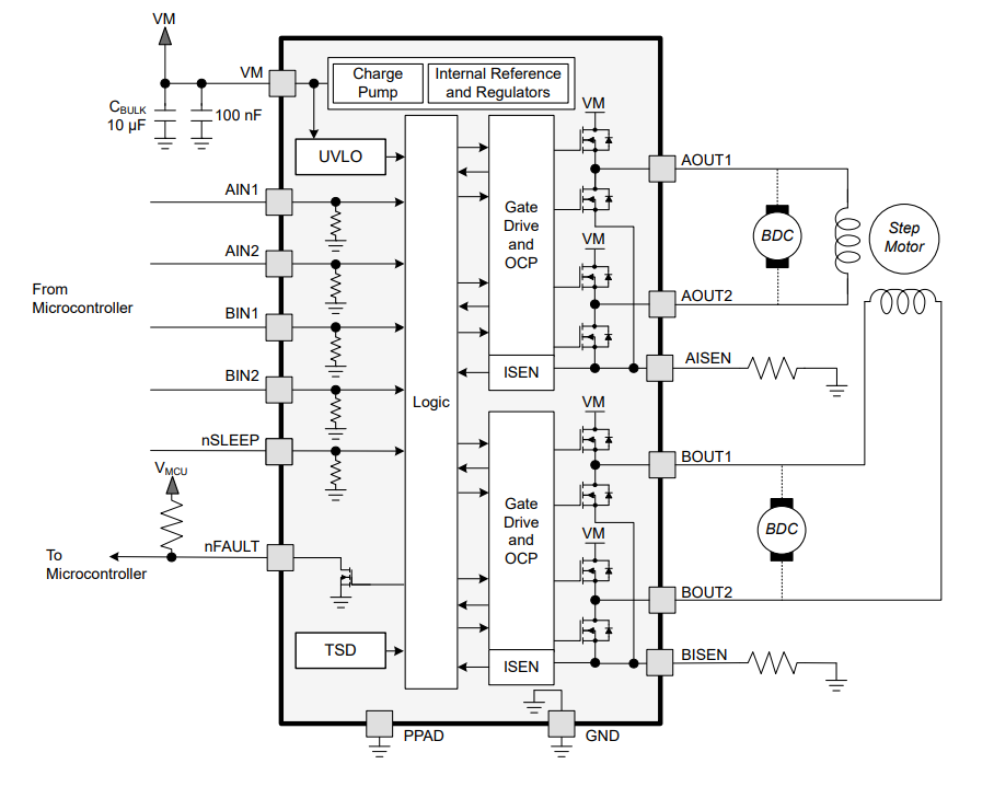
简化示意图
功能框图
发布日期: 2022-12-19
| 更新日期: 2024-07-15

