低侧分流放大器支持电流检测以测量电机电流,并为外部控制器提供反馈,进行电流限制或失速检测。Texas Instruments DRV8705-Q1具有各种保护特性,确保系统可靠运行。这些包括用于电源和电荷泵的欠压和过压监控器、用于外部MOSFET的VDS过流和VGS栅极故障监控器、离线开路负载和短路诊断以及内部热警告和关断保护。
特性
- 符合汽车应用类AEC-Q100标准
- 温度等级1 TA:–40°C至+125°C
- 支持功能安全
- 可提供文档,协助功能安全系统设计
- 半桥智能栅极驱动器
- 工作电压范围:4.9V至37V(40V绝对最大值)
- 100% PWM用倍频电荷泵
- 半桥和H桥控制模式
- 引脚对引脚栅极驱动器型号
- DRV8106-Q1:半桥,带直列放大器
- DRV8706-Q1:半桥,带直列放大器
- 智能栅极驱动架构
- 可调压摆率控制
- 峰值拉电流输出:0.5mA至62mA
- 峰值灌电流输出:0.5mA至62mA
- 集成死区时间握手
- 低侧分流放大器
- 可调增益设置(10V、20V、40V、80V/V)
- 集成反馈电阻器
- 可调PWM消隐方案
- 提供多种接口选项
- SPI:详细配置和诊断
- H/W:简化控制,减少MCU引脚
- 扩频时钟功能,用于降低EMI
- 紧凑型VQFN封装,带可湿性侧翼
- 集成保护特性
- 专用驱动器禁用引脚 (DRVOFF)
- 电源和稳压器电压监控器
- MOSFET VDS过流监视器
- MOSFET VGS栅极故障监控器
- 电荷泵,用于反向极性MOSFET
- 离线开路负载和短路诊断
- 器件过热报警和关断
- 故障状态中断引脚 (nFAULT)
应用
- 汽车有刷直流电机
- 电磁阀和继电器
- 电动车窗升降机和滑动车门
- 电动天窗
- 电动座椅模块
- 电动行李箱和升降机门
- BDC燃料、水、油泵
- 风挡刮水器
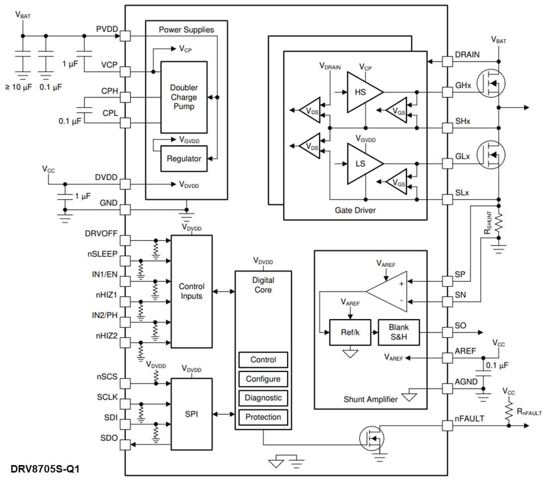
DRV8705S框图
DRV8705H框图
发布日期: 2021-05-18
| 更新日期: 2022-03-11

