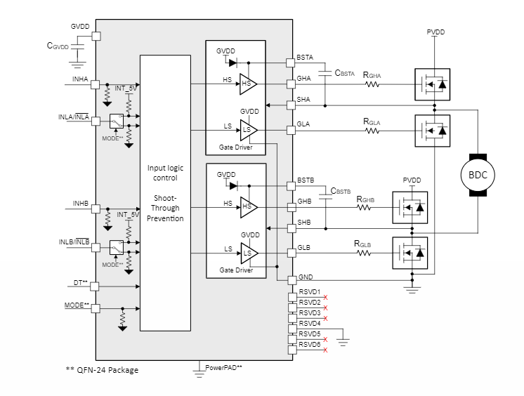
TI DRV8770 100V有刷直流栅极驱动器提供SHx相位引脚来容忍大的负电压瞬变。同时,高侧栅极驱动器电源可以支持BSTx和GHx引脚上更高的正电压瞬变(最大绝对值115V)。采用小传播延迟和延迟匹配参数最大限度降低死区时间要求从而进一步提高了效率。通过GVDD和BST欠压锁定为低侧和高侧均提供了欠压保护。
特性
- 100V H桥栅极驱动器
- 驱动N沟道MOSFET (NMOS)
- 5V – 20V栅极驱动器电源 (GVDD)
- MOSFET电源 (SHx) 支持高达100V
- 集成自举二极管
- 支持反相和非反相INLx输入(QFN封装)
- 自举栅极驱动架构
- 750mA拉电流
- 1.5A灌电流
- 支持长达15秒的电池供电应用
- SHx引脚上低漏电流 (<55µA)
- 高达115V最大绝对BSTx电压
- 支持SHx引脚上低至-22V的负瞬变
- 通过DT引脚可调死区时间(QFN封装)
- 200ns固定死区时间插入(TSSOP封装)
- 支持3.3V和5V逻辑输入,最大绝对电压为20V
- 4ns(典型值)播延迟匹配
- 紧凑型QFN和TSSOP封装及占位面积
- 高效的电源模块系统设计
- 集成保护特性
- BST欠压锁定 (BSTUV)
- GVDD欠压 (GVDDUV)
应用
- 电动自行车、电动踏板车和电动交通
- 无绳园林工具和电动工具、割草机
- 无绳真空吸尘器
- 无人机、机器人和RC玩具
- 工业和物流机器人
- 电动工具
简化原理图
框图
发布日期: 2022-03-14
| 更新日期: 2023-04-12

