Texas Instruments DRV8848 双H桥电机驱动器
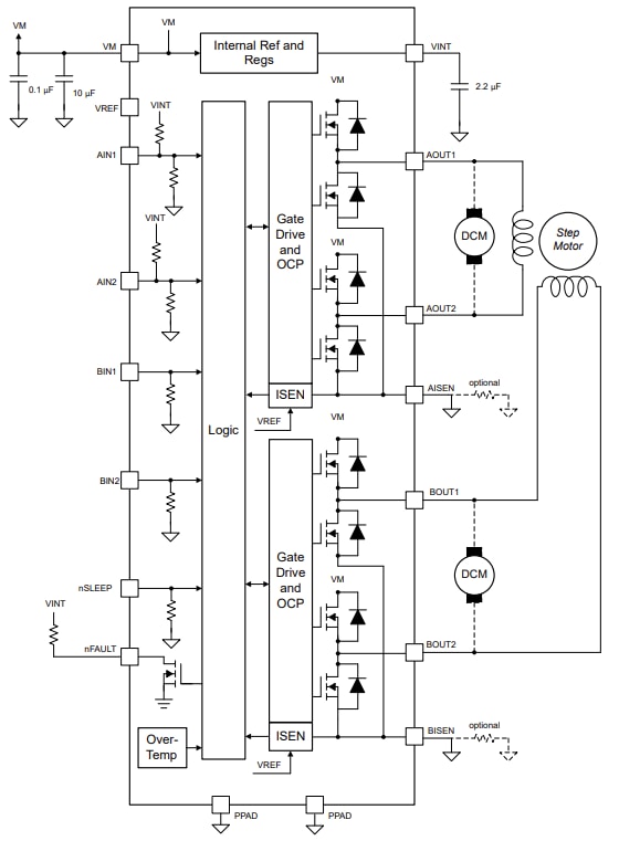
Texas Instruments DRV8848双H桥电机驱动器集成了两个采用NMOS驱动器和电流检测调节电路的半桥。每个H桥驱动器的输出模块包括N沟道和P沟道功率MOSFET,配置为全H桥来驱动电机绕组。每个H桥均包含使用固定关断时间斩波方案调节绕组电流的电路。这些驱动器可在并行模式下从每个输出驱动高达2A电流或4A电流(具有适当的散热片,在12V和25°C TA时)。DRV8848驱动器具有欠压闭锁(UVLO)、过流保护(OCP)、热关断(TSD)和故障状态指示引脚(nFAULT)等特性。这些驱动器用于家用电器、通用有刷和步进电机以及打印机。特性
- 双H桥电机驱动器
- 单/双路有刷直流
- 步进
- 每H桥输出电流大
- 最大驱动电流:2A(12V和TA= 25°C时)
- 可提供并行模式,在12V和TA= 25°C时能够提供最大驱动电流4A
- 工作电源电压范围:4至18V
- 低导通电阻:HS + LS = 900mΩ(典型值,25°C)
- PWM控制接口
- 可选电流调节,固定关断时间为20μs
- 低电流3µA休眠模式
- 散热增强型表面贴装封装
- 保护功能:
- 欠压闭锁(UVLO)
- 过流保护(OCP)
- 热关断 (TSD)
- 故障状态指示引脚 (nFAULT)
应用
- 打印机
- 通用有刷和步进电机
- 电器
功能框图
简化原理图
发布日期: 2025-01-22
| 更新日期: 2025-02-19
