Texas Instruments DRV8884 1.0A步进电机驱动器
Texas Instruments DRV8884 1.0A步进电机驱动器是设计用于工业设备应用的步进电机驱动器。此器件具有两个N沟道功率MOSFET H桥驱动器、一个微步进分度器以及集成电流感测功能。DRV8884能够驱动高达1.0A的满量程输出电流或0.7Arms输出电流。驱动器集成了电流感测功能,消除了对两个外部感测电阻的需求。STEP/DIR引脚提供简单的控制接口。该器件可配置为多种步进模式,从全步进模式到1/16步进模式。凭借专用的nSLEEP引脚,该器件可提供一种低功耗的休眠模式,从而实现超低静态电流待机。特性
- PWM微步进电机驱动器
- 高达1/16微步进
- 非圆形和标准½步进模式
- 集成式电流感应功能
- 无需检流电阻
- ±6.25%满量程电流精度
- 缓慢和混合衰减选项
- 8.0V至37V工作电源电压范围
- 低RDS(ON) 值: 24V,25°C下为1.4Ω HS + LS
- 大电流能力
- 每桥1.0A满量程
- 每桥0.7A rms
- 固定停机时间脉冲宽度调制 (PWM) 斩波
- 简单的STEP/DIR接口
- 低电流休眠模式 (20μA)
- 小型封装尺寸和占位面积
- 24 HTSSOP (PowerPAD)
- 保护特性
- VM欠压闭锁 (UVLO)
- 电荷泵欠压 (CPUV)
- 过流保护 (OCP)
- 热关断 (TSD)
- 故障状态指示引脚 (nFAULT)
应用
- 多功能打印机和扫描仪
- 激光束打印机
- 3D打印机
- 自动取款机和验钞机
- 视频安防摄像头
- 办公自动化设备
- 工厂自动化和机器人
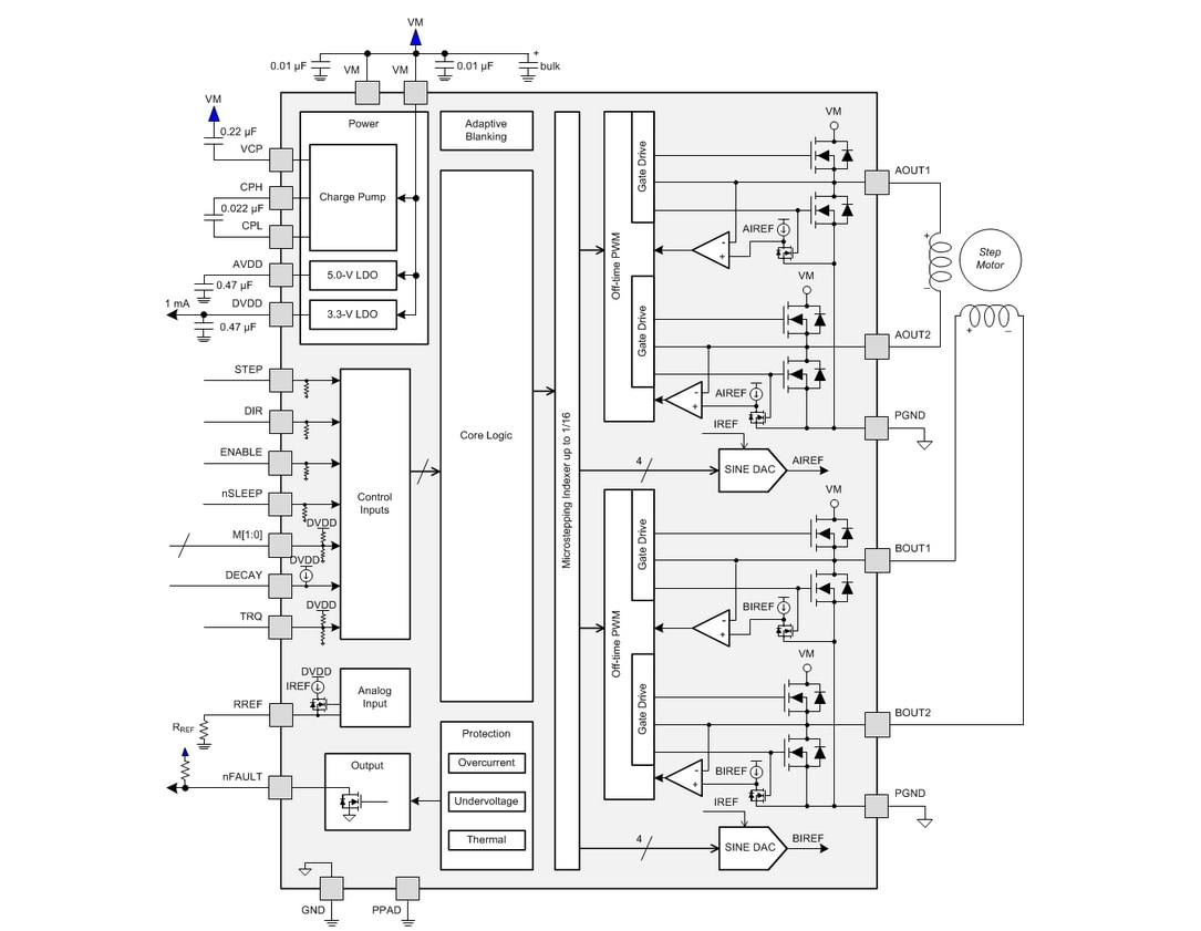
功能图
发布日期: 2016-07-01
| 更新日期: 2022-03-11
