Texas Instruments DS560DF410四通道多速率重定时器
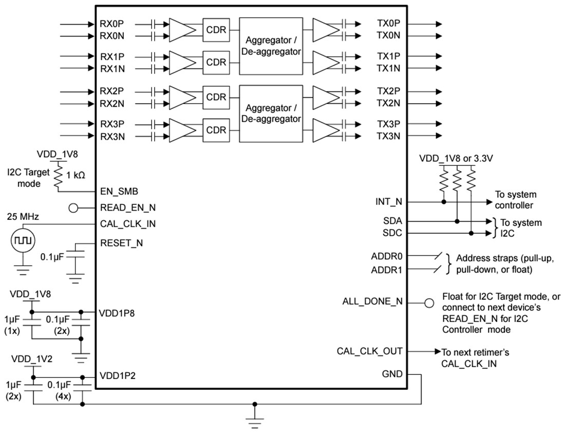
Texas Instruments DS560DF410四通道多速率重定时器具有集成信号调理功能。该器件可扩展有损且存在串扰的远距离高速串行链路的延伸长度并提升稳定性。DS560DF410中的每个通道均可独立锁定到符号速率(PAM4和NRZ),连续范围为19.6至28.9GBd或任何支持的子速率。集成的CDR功能可重置抖动预算并重定时高速串行数据,是前端口光学模块应用的理想选择。这些特性可实现独立信道前向纠错 (FEC) 直通。此外,DS560DF410支持自动通道速率切换,用于CDR锁定,多达五种不同组合的调制类型和波特率,无需主机干预。Texas Instruments DS560DF410先进的均衡特性包括一个连续自适应时间线性均衡器 (CTLE)、决策反馈均衡器 (DFE)、RX前馈均衡器 (FFE)、一个可编程和低抖动、4抽头TX前馈均衡器 (FFE) 滤波器。这些特性可实现有损耗互连的长度扩展,例如直连铜 (DAC) 缆以及具有多个连接器且存在串扰的背板。DS560DF410具有位多路复用器和解复用器变速器变速箱,用于主机和模块之间的简单PAM4至NRZ或NRZ至PAM4转换。该齿轮箱可将一对速率高达28.9GBd的NRZ输入聚合为一对28.9GBd PAM4输出,也可将一个28.9GBd PAM4输入解聚为一对28.9GBd NRZ输出。
DS560DF410可通过I2C或通过外部EEPROM进行配置。单个EEPROM最多可由16个器件共享。
特性
- 具有集成信号调节功能的四通道多协议重定时器
- 所有通道均可独立锁定19.6GBd至28.9GBd的PAM4和NRZ数据速率(包括1/2和1/4子速率)
- 适用于高达CEI-56G、以太网™(400GbE)、光纤通道(64GFC)、InfiniBand™(HDR)和CPRI/eCPRI PCB、铜缆及光学应用
- 低延迟:26.5625GBd时<2000ps(典型值)
- 连续自适应时间线性均衡器(CTLE)、RX前馈均衡器(FFE)和决策反馈均衡器(DFE)可在13.28GHz下支持超过30dB的通道损耗
- CDR自动通道速率切换可锁定多达五种不同的波特率和调制类型组合
- 集成2×2交叉点开关
- 可调节4抽头TX FFE滤波器
- 齿轮箱模式支持(NRZ/PAM4位多路复用器/多路信号分离器、NRZ/PAM4串行器/解串器)
- 用于调试的片上眼图张开度监视器 (EOM)、PRBS发生器和PRBS校验器
- 双电源:1.8V和1.2V
- 工作温度范围:–40°C至+85°C
- 带有集成交流耦合电容器的7.65mm × 7.65mm BGA封装
应用
- 有源电缆(AEC)(SFP、SFP-DD、QSFP、QSFP-DD、OSFP)
- 背板 (KR) 和中板C2C连接单元接口 (AUI) 覆盖范围扩大
- 前端端口C2M连接单元接口 (AUI) 抖动清除
- 速度加倍(变速箱),具有NRZ转PAM4聚合和去聚合功能
简化示意图
发布日期: 2023-05-08
| 更新日期: 2024-02-09
