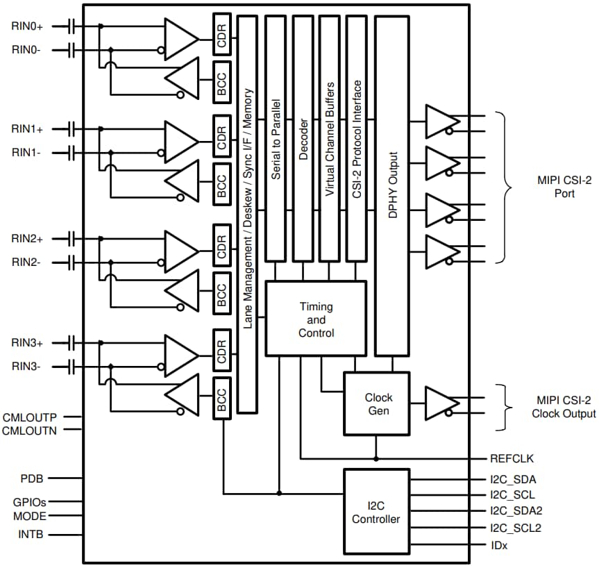
Texas Instruments DS90UB662-Q1包含四个FPD-Link III解串器,每一个都能够通过高性价比的50Ω单端同轴或100Ω差分STP电缆进行连接。接收均衡器根据电缆损耗特性(包括随时间的衰减)进行自适应补偿。每个FPD链路III接口还包括一个独立的低延迟双向控制通道,可持续传输I2C、GPIO和其他控制信息。通用I/O信号,如摄像机同步和诊断功能所需的信号,也使用该双向控制通道。
DS90UB662-Q1通过了AEC-Q100汽车应用认证,采用经济高效、节省空间的64引脚VQFN封装。
特性
- 符合汽车应用类AEC-Q100标准:
- 环境工作温度范围:–40°C至+105°C(器件温度等级2)
- 器件人体模型 (HBM) 静电放电 (ESD) 分类等级±3kV
- 器件充电器件模型 (CDM) 静电放电分类等级C5
- 四路解串器集线器汇集同时来自多达4个传感器的数据
- 支持1百万像素传感器,帧频最高可达60Hz;支持2百万像素传感器,帧频最高可达30Hz
- 精确的多摄像头同步
- 兼容MIPI DPHY版本1.2/CSI-2版本1.3
- 1 × CSI-2 MIPI输出端口
- 支持1、2、3、4数据通道
- CSI-2数据速率可扩展至每个通道400Mbps/800Mbps/1.2Gbps/1.5Gbps/1.6Gbps
- 超低数据和控制路径延迟
- 支持单端同轴包括同轴供电 (PoC) 或屏蔽双绞线 (STP) 电缆
- 自适应接收均衡
- 双I2C端口,具有快速模式和高达1Mbps
- 可灵活用于传感器同步和诊断的GPIO
- 兼容DS90UB633A-Q1串行器和DS90UB63x CSI-2串行器
- 内部可编程精密帧同步发生器
- 线路故障检测和高级诊断
- 支持功能安全
- 可提供文档,协助ISO 26262系统设计
应用
- 汽车ADAS
- 后视摄像头 (RVC)
- 环视系统 (SVS)
- 摄像监控系统 (CMS)
- 正向夜视仪 (FC)
- 驾驶员监控系统(DMS)
- 卫星雷达、飞行时间(ToF)和激光雷达传感器模块
- 传感器融合
- 安防与监控
功能框图
视频
发布日期: 2020-12-16
| 更新日期: 2025-02-27

