FPD-Link III接口支持视频和音频数据传输以及全双工控制同一差分链路, 包括I2C和SPI通信。通过两个差分对实现视频数据和控制的整合可减小互连线尺寸,减轻应用的重量,并简化系统设计。 使用低压差分信号、数据扰频和随机化最大限度地减少EMI。在后向兼容模式下,与DS90Ux92x-Q1解串器配对时,该器件通过一根差分链路支持高达1920x720分辨率(24位色深)。
DS90UB949A-Q1支持通过外部I2S接口以及可选的辅助音频接口接收的多通道音频。DS90UB949A-Q1串行器符合汽车应用类AEC-Q100认证。
特性
- 符合汽车应用类AEC-Q100标准
- 器件温度等级2:-40°C至105°C,TA
- 支持高达210MHz的TMDS时钟频率,适用于30Hz时3K (2880x1620) 、QXGA (2048x1536)、2K (2880x1080)、WUXGA (1920x1200) 或1080p60,有24位色深
- 单和双FPD-Link III输出,支持STP或STQ或同轴电缆
- 高清多媒体 (HDMI) v1.4b兼容输入
- HDMI模式DisplayPort (DP++) 输入
- 最多支持8通道HDMI音频提取
- 高速反向通道,支持高达2Mbps GPIO
- 可跟踪扩展频谱输入时钟,以便减少电磁干扰 (EMI)
- 具有1Mbps快速模式+的I2C(主/从)
- SPI直通接口
- 后向兼容DS90UB926Q-Q1、DS90UB928Q-Q1和DS90UB924-Q1 FPD-Link III解串器
应用
- 汽车信息娱乐和仪表板
- 汽车音响主机
- 汽车后座娱乐显示屏
- 汽车中心信息显示屏
- 商用车仪表组
- 汽车媒体中心
- 音频/视频控制系统
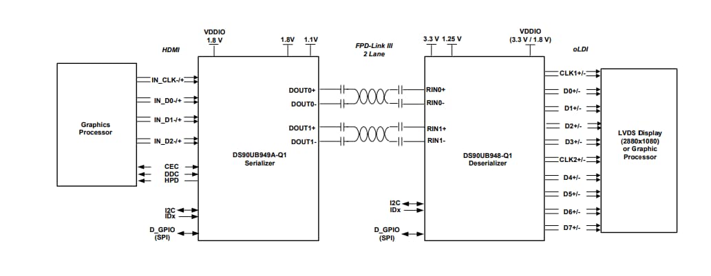
应用电路图
发布日期: 2019-11-13
| 更新日期: 2024-01-31

