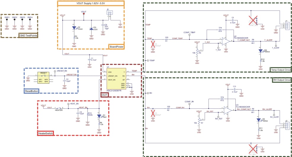
特性
- 直接用来验证HDC3120的温度和湿度功能
- 所包含的TLV9030比较器可实现类似开关的功能,以便在设备设计收尾阶段对传感器进一步评估
- 各种连接点和测试点,方便用户使用
应用
- 大型家用电器
- 洗碗机
- 洗衣机和烘干机
- 冰箱和冰柜
- 能源基础设施:
- 电池储能系统
- 远程配电自动化
- 数据中心
- 电信电源系统
- 汽车:
- 电动助力转向 (EPS)
- 电池管理系统 (BMS)
- HVAC
- 逆变器
板概述
原理图
发布日期: 2025-06-30
| 更新日期: 2025-07-17

