INA296x/INA296x-Q1放大器采用2.7V至20V单电源供电,工作温度范围为-40°C至+125°C,电源电流为2.5mA。增益选项包括10V/V、20V/V、50V/V、100V/V和200V/V。运用多个增益选项,可实现在可用的分流电阻值和宽输出动态范围要求之间进行优化。Texas Instruments INA296x/INA296x-Q1电流检测放大器采用8引脚SOT-23(2.90mm×1.60mm)或8引脚VSSOP(3.00mm2)封装。INA296x-Q1器件符合面向汽车应用的AEC-Q100标准。
特性
- 宽共模电压范围
- 工作电压:-5V至+110V
- 耐受电压:-20V至+120V
- 双向工作
- 1.1MHz的高小信号带宽(在所有增益下)
- 最大精度
- 增益误差
- A版温漂:±0.01%、±1ppm/°C
- B版温漂:±0.1%、±5ppm/°C
- 失调电压
- A版温漂:±10µV、±0.1µV/°C
- B版温漂:±150µV、±0.5µV/°C
- 增益误差
- 压摆率:8V/µs
- 阶跃响应稳定时间为1%:1µs
- 出色的共模抑制比 (CMRR) :166dB
- 可获增益
- INA296x1:10V/V
- INA296x2:20V/V
- INA296x3:50V/V
- INA296x4:100V/V
- INA296x5:200V/V
- SOT23-8和VSSOP-8封装类型
应用
- 48V直流/直流转换器
- 48V电池管理系统 (BMS)
- 测试与测量
- 宏远程无线电单元 (RRU)
- 48V机架服务器
- 48V商户网络/服务器电源
规范
- –5V至110V输入共模电压范围
- 最大输入失调:±10µV
- 输入失调漂移:±0.1µV/C(典型值)
- 增益选项:10V/V、20V/V、50V/V、100V/V与200V/V
- 增益误差:0.01%
- 最大增益误差漂移:±1ppm/°C
- CMRR:150dB(最小值)
- 带宽:1100kHz
- 电源电压范围:2.7V至20V
- 最大Iq:3mA
- 工作温度范围:-40°C至+125°C
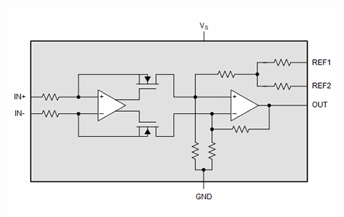
功能框图
发布日期: 2022-11-18
| 更新日期: 2025-08-22

