INA351内置精密匹配的集成电阻器,无需精确或紧密匹配的外部电阻器,可节省BOM成本、电路板空间以及拾取贴装机器处理成本。INA351可直接连接低速10位至14位模数转换器 (ADC),非常适合用于替代使用商用放大器和分立电阻器构建的仪表放大器的分立式实施。
INA351采用三放大器架构设计,优化用于提供性能。该器件实现了86dB最小CMRR和0.1%最大增益误差,以及所有增益选项的最大失调为1.3mV,同时仅消耗135µA最大静态电流。Texas Instruments INA351具有集成关断选项,可在空闲时关闭放大器,从而在电池供电应用中进一步节能。
特性
- 设计用于尺寸、成本和功耗敏感型应用
- 可选增益选项,带集成基准缓冲器
- G=10或G=20 (INA351ABS)
- G=30或G=50 (INA351CDS)
- 节省空间的超小型封装选项
- 10引脚X2QFN (RUG) – 3mm2
- 8引脚WSON (DSG) – 4mm2
- 8引脚SOT23-THN (DDF) – 4.64mm2
- 针对10位至14位系统优化了性能
- 所有增益的CMRR:95dB(典型值)
- 所有增益的失调电压:0.2mV(典型值)
- 增益误差(典型值)
- 0.015%(G = 10, G = 50)
- 0.020% (G = 20, G = 30)
- 带宽:100kHz(G=10,典型值)
- 驱动500pF,过冲小于20%(典型值)
- 优化静态电流:110µA(典型值)
- 针对功耗敏感型应用的关断选项
- 电源范围:1.8V (±0.9V) 至5.5V (±2.75V)
- 指定温度范围:–40°C至125°C
应用
- 桥式网络检测
- 差分至单端转换
- 称重计
- 模拟输入模块
- 流量变送器
- 可穿戴健身和活动监视器
- 血糖监测仪
- 压力和温度检测
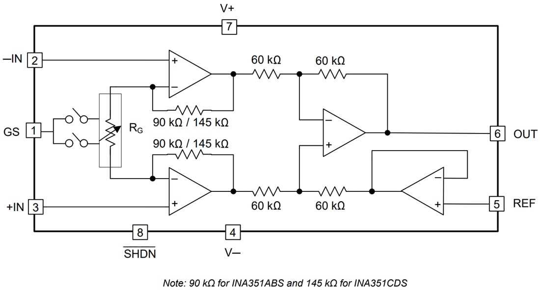
功能框图
发布日期: 2023-01-17
| 更新日期: 2023-11-28

