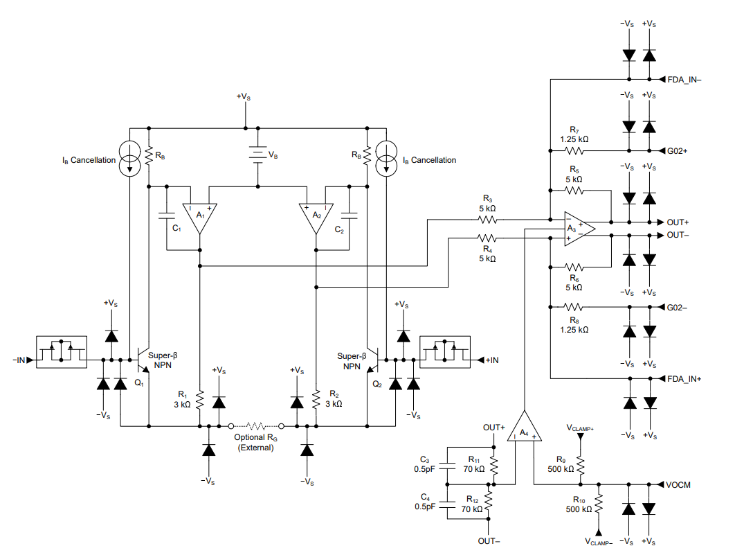
TI INA851全差分仪表放大器采用了超级β输入晶体管,可提供非常低的输入偏置电流和低输入参考电流噪声。该器件采用先进的制造工艺,具有超低的电压噪声、输入失调电压和失调电压漂移。附加电路可保护INA851输入免受超过电源电压多达±40V的过压影响。此外,该器件输出具有内置钳位电路,可保护ADC或下游器件免受过驱损坏。
INA851非常适合在单电源(最小8V,最大36V)或双电源(最小±4V,最大±18V)供电的情况下运行。
特性
- 可使用外部电阻器在G = 0.2至10,000的范围内对增益进行编程
- 具有集成钳位的全差分输出
- 低失调电压:10µV(典型值),35µV(最大值)
- 低偏置漂移:0.1µV/°C(典型值),0.3µV/°C(最大值)
- 低输入偏置电流:5nA(典型值)
- 输入级噪声:3.2nV/√Hz、0.8pA/√Hz
- 高带宽:在G = 0.2时为22MHz, 在G = 1时为15MHz
- 共模抑制:在G = 10时为106dB(最小值),在100 ≤ G ≤ 1000时为120dB(最小值)
- 电源抑制:在G = 1时为110dB(最小值)
- 电源电流:6mA(典型值)
- 输入过压保护:超出电源电压达±40V
- 供电范围:
- 单电源:8V至36V
- 双电源:±4V至±18V
- 指定温度范围:-40°C至+125°C
- 16引脚VQFN微型封装
应用
- 模拟输入模块
- 流量变送器
- LCD测试
- 心电图 (ECG)
- 外壳手术设备
- 示波器 (DSO)
- 称重计
- 半导体测试
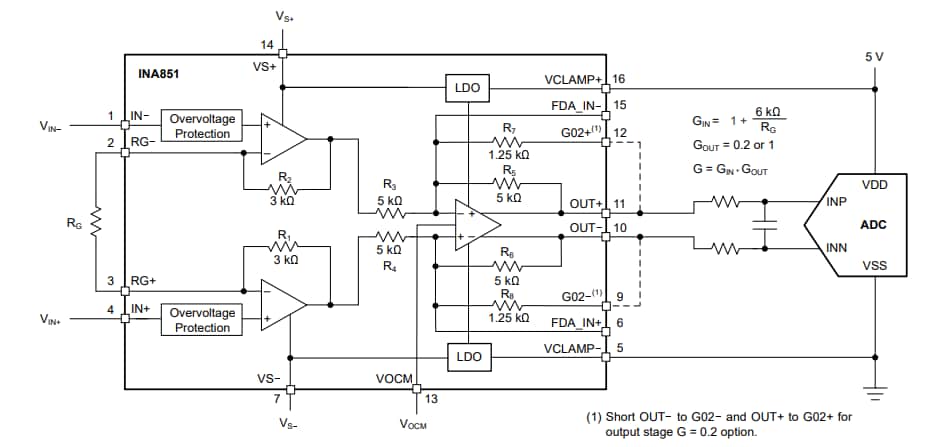
ADC驱动器应用
详细原理图
框图
发布日期: 2022-12-20
| 更新日期: 2022-12-23

