Texas Instruments ISO1042隔离式CAN收发器
Texas Instruments ISO1042隔离式CAN收发器是一款符合ISO11898-2 (2016) 标准规格的电隔离控制器局域网 (CAN) 收发器。ISO1042器件具有±70VDC总线故障保护功能和±30V共模电压范围。该器件在CAN FD模式下最高支持5Mbps数据速率,与传统CAN相比可实现更为快速的负载传输。ISO1042采用二氧化硅 (SiO2) 绝缘隔栅,可承受5000VRMS的电压,工作电压为1060VRMS。该器件的电磁兼容性得到了显著增强,可确保提供系统级ESD、EFT和浪涌保护并符合辐射标准。与隔离式电源一起使用,该器件可提供高压保护并防止总线的噪声电流进入本地接地。ISO1042可用于基础型和增强型隔离。特性
- 符合ISO 11898-2:2016和ISO 11898-5:2007物理层标准
- 支持高达1Mbps的传统CAN和高达5Mbps的FD(灵活数据速率)
- 低环路延迟:152ns
- 保护特性
- 直流总线故障保护电压:±70V
- 总线引脚上的HBM ESD容差:±16kV
- 驱动器显性超时 (TXD DTO)
- VCC1和VCC2欠压保护
- 共模电压范围:±30V
- 不通电时,是理想的无源、高阻抗总线终端
- 高CMTI:100kV/μs
- VCC1电压范围:1.71V至5.5V
- 支持用于CAN控制器的1.8V、2.5V、3.3V和5.0V逻辑接口
- VCC2电压范围:4.5V至5.5V
- 稳健的电磁兼容性 (EMC)
- 系统级ESD、EFT和浪涌抗扰性
- 低辐射
- 环境温度范围:–40°C至+125°C
- 16-SOIC和8-SOIC封装选项
- 安全相关认证
- 符合DIN V VDE V 0884-11标准7071VPK VIOTM和1500VPK VIORM(增强型和基本型选项)
- 符合UL 1577标准且长达1分钟的5000VRMS隔离
- IEC 60950-1、IEC 60601-1和EN 61010-1认证
- CQC、TUV和CSA认证
- 计划通过所有认证
应用
- 交流和伺服驱动器
- 太阳能逆变器
- PLC和DCS通信模块
- 升降机和自动扶梯
- 工业电源
- 电池充电和管理
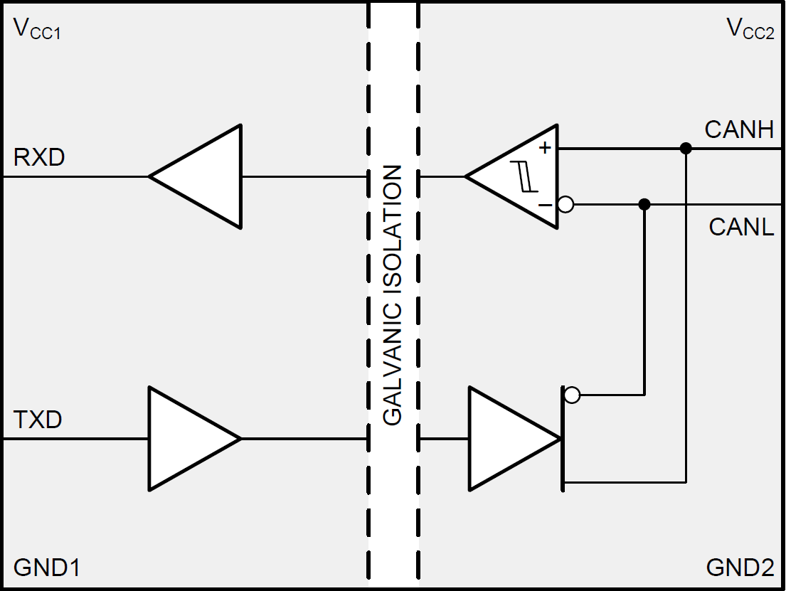
功能框图
发布日期: 2018-10-31
| 更新日期: 2023-07-18
