Texas Instruments ISO1044B隔离式CAN FD收发器
Texas Instruments ISO1044B隔离式CAN FD收发器是一款符合ISO11898-2 (2016) 标准规范的电流隔离式控制器局域网 (CAN) 收发器。ISO1044B器件具有±58V直流总线故障保护和±12V共模电压范围。该器件支持CAN FD模式高达5Mbps的数据速率,可实现比传统CAN快得多的有效载荷传输。该器件采用二氧化硅 (SiO2) 绝缘栅,耐压为3000VRMS,工作电压为450VRMS 。该器件的电磁兼容性得到了显著增强,可确保提供系统级ESD、EFT和浪涌保护并符合辐射标准。当搭配隔离电源使用时,该器件防止高压并防止总线的噪声电流进入本地接地。Texas Instruments ISO1044B支持-40°C至+125 °C宽环境温度范围。该器件采用小型SOIC-8 (D) 封装,与使用光耦合器隔离CAN收发器的传统方法相比,显著减小了解决方案尺寸。特性
- 符合ISO 11898-2:2016物理层标准
- 支持高达1Mbps的传统CAN和高达5Mbps的FD(灵活数据速率)
- 保护特性
- 总线故障保护电压:±58V DC
- 总线引脚上具有±8kV IEC ESD容差
- 总线引脚上具有±10kV HBM ESD容差
- 驱动器显性超时 (TXD DTO)
- VCC1 和VCC2 上欠压保护
- ±12 V 共模电压范围
- 未上电时理想的无源、高阻抗总线端子
- 高CMTI:85kV/µs(最小值)
- VCC1 电压范围:1.71V至5.5V
- 支持用于CAN控制器的1.8 V、2.5 V、3.3 V和5.0 V逻辑接口
- VCC2 电压范围:4.5V至5.5V
- 稳健的电磁兼容性 (EMC)
- 系统级ESD、EFT和浪涌抗扰性
- 低辐射
- 环境温度范围:–40°C至+125°C
- 8-SOIC封装
- 安全相关认证
- 计划通过所有认证
- VDE增强绝缘,符合DIN VDE V 0884-11:2017-01标准
- UL 1577元件认可计划
- IEC 60950-1、IEC 62368-1、IEC 61010-1和GB 4943.1-2011认证
应用
- 交流和伺服驱动器
- 太阳能逆变器
- PLC和DCS通信模块
- 电梯和自动扶梯
- 工业电源
- 电池充电和管理
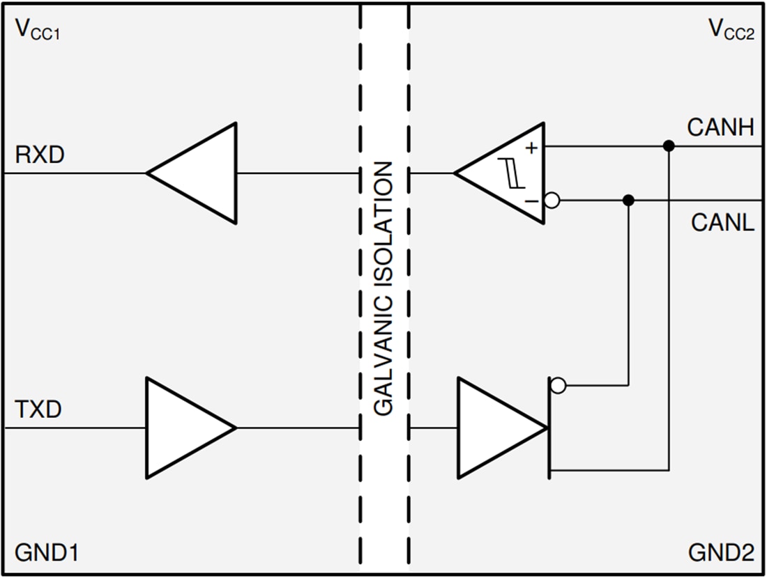
功能框图
发布日期: 2020-08-07
| 更新日期: 2024-07-29
