该器件可用于长距离通信,隔离会破坏通信节点之间的接地回路,从而获得更大的共模电压范围。经测试,每个装置的对称隔离层可在总线收发器和逻辑电平接口之间按照UL 1577标准提供为时1分钟的3000VRMS隔离。这在总线收发器和逻辑电平接口之间。ISO1500 RS-485/RS-422收发器可由1侧的1.71V至5.5V电压供电,从而使器件可与低压FPGA和ASIC相连接。2侧的电源电压范围为4.5V至5.5V。该器件支持-40°C至+125°C的宽工作环境温度范围。
特性
- 符合或超出TIA/EIA-485-A的要求
- 半双工收发器
- 低EMI 1Mbps数据速率
- 1.71V至5.5V逻辑侧电源 (VCC1),4.5V至5.5V总线侧电源 (VCC2)
- 1/8单位负载:多达256个总线节点
- 失效防护接收器(针对总线开路、短路和空闲)
- 高共模瞬态抑制:100kV/μs(典型值)
- 扩展温度范围:-40°C至+125°C
- 适用于热插拔功能的无干扰加电和断电
- 超小型SSOP (DBQ-16) 封装
- 安全相关认证:
- 计划通过所有认证
- 符合DIN V VDE V 0884-11:2017-01标准的4242VPK VIOTM和566VPK VIORM
- 符合UL 1577标准且长达1分钟的3000VRMS隔离
- IEC 60950、IEC 60601和EN 61010认证
- CQC、TUV和CSA认证
应用
- 电表
- 保护继电器
- 工厂自动化和控制
- HVAC系统和楼宇自动化
- 电机驱动器
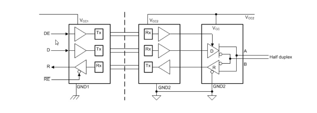
功能图
示意图
发布日期: 2019-01-18
| 更新日期: 2023-06-05

