Texas Instruments ISO6741DWEVM评估模块

Texas Instruments ISO6741DWEVM评估模块支持对采用16引脚WB SOIC封装的ISO67xx三通道和四通道数字隔离器进行评估。ISO67xx数字隔离器的电隔离能力高达5000VRMS 。这些隔离器在隔离CMOS或LVCMOS数字输入/输出的同时,还能以低功耗提供高电磁抗扰度和低辐射。

TI ISO6741DWEVM评估模块具有足够的测试点和跳线选项,只需最少的外部元件即可评估ISO67xx器件。

特性

  • 低速、三通道和四通道数字隔离器
  • 宽电源和电平转换范围:1.71 V至5.5 V
  • 信号传输速率:高达50 Mbps
  • 隔离栅寿命> 40年

板布局

机械图纸 - Texas Instruments ISO6741DWEVM评估模块

基本EVM运行

图表 - Texas Instruments ISO6741DWEVM评估模块

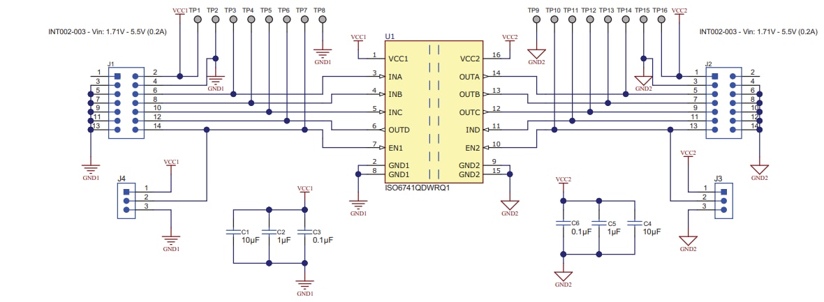
原理图

原理图 - Texas Instruments ISO6741DWEVM评估模块
发布日期: 2020-10-07 | 更新日期: 2024-08-28