Texas Instruments ISO7041DBQEVM隔离器评估模块 (EVM)

Texas Instruments ISO7041DBQEVM隔离器评估模块 (EVM) 用于评估采用16引脚SSOP封装的低功耗四通道数字隔离器ISO7041。该评估模块具有足够多的测试点、跳线选项和电流检测功能,支持使用最少的外部组件来评估相应器件。可对此评估模块进行重新配置,以评估任何采用16引脚SSOP (DBQ) 封装的TI四通道数字隔离器。

特性

  • 超低功耗
  • 4kV浪涌隔离
  • 2 Mbps

套件内容

  • ISO7041DBQEVM评估模块

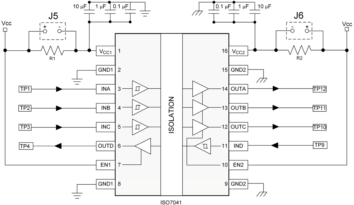
框图

框图 - Texas Instruments ISO7041DBQEVM隔离器评估模块 (EVM)
发布日期: 2019-03-05 | 更新日期: 2025-03-13