Texas Instruments ISO7241C数字隔离器
Texas Insturments ISO7241C四通道、3/1、25Mbps数字隔离器属于数字隔离器系列,具有多通道配置和输出使能功能。该TI器件具有由TI的二氧化硅 (SiO2) 绝缘隔栅分开的逻辑输入和输出缓冲器。当与隔离电源配合使用时,这些器件可阻止高电压、隔离接地,并防止噪声电流进入本地接地并干扰或损坏敏感电路。ISO7241的三个通道处于同一个方向,另外一个通道处于相反方向。C版本器件具有TTL输入阈值和噪声滤波器(输入端),可防止瞬态脉冲传递到器件的输出端。M版本器件具有CMOS Vcc/2输入阈值,没有输入噪声滤波器或额外的传播延迟。特性
- 可选的故障安全输出
- 信号传输速度选项:25Mbps和150Mbps
- 较低的通道间输出偏移:1ns(最大值)
- 低脉冲宽度失真 (PWD):2ns(最大值)
- 低抖动含量:150Mbps时典型值为1ns
- 额定工作电压下使用寿命通常为25年
- 4000Vpeak VIOTM、560Vpeak、VIORM,符合IEC 60747-5-2(VDE 0884,Rev 2)要求
- 通过UL 1577、IEC 61010-1、IEC 60950-1和CSA认证
- 4kV ESD保护
- 使用2.8V (ISO7241C)、3.3V或5V电源供电
- 高电磁抗扰度
- 工作温度范围:-40°C至125°C
应用
- 工业现场总线
- 计算机外设接口
- 伺服系统控制接口
- 数据采集
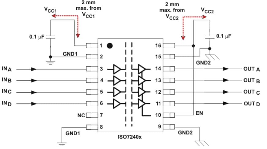
功能图
相关工具
发布日期: 2019-10-07
| 更新日期: 2023-11-22
