Texas Instruments ISOW1044DFMEVM收发器评估模块
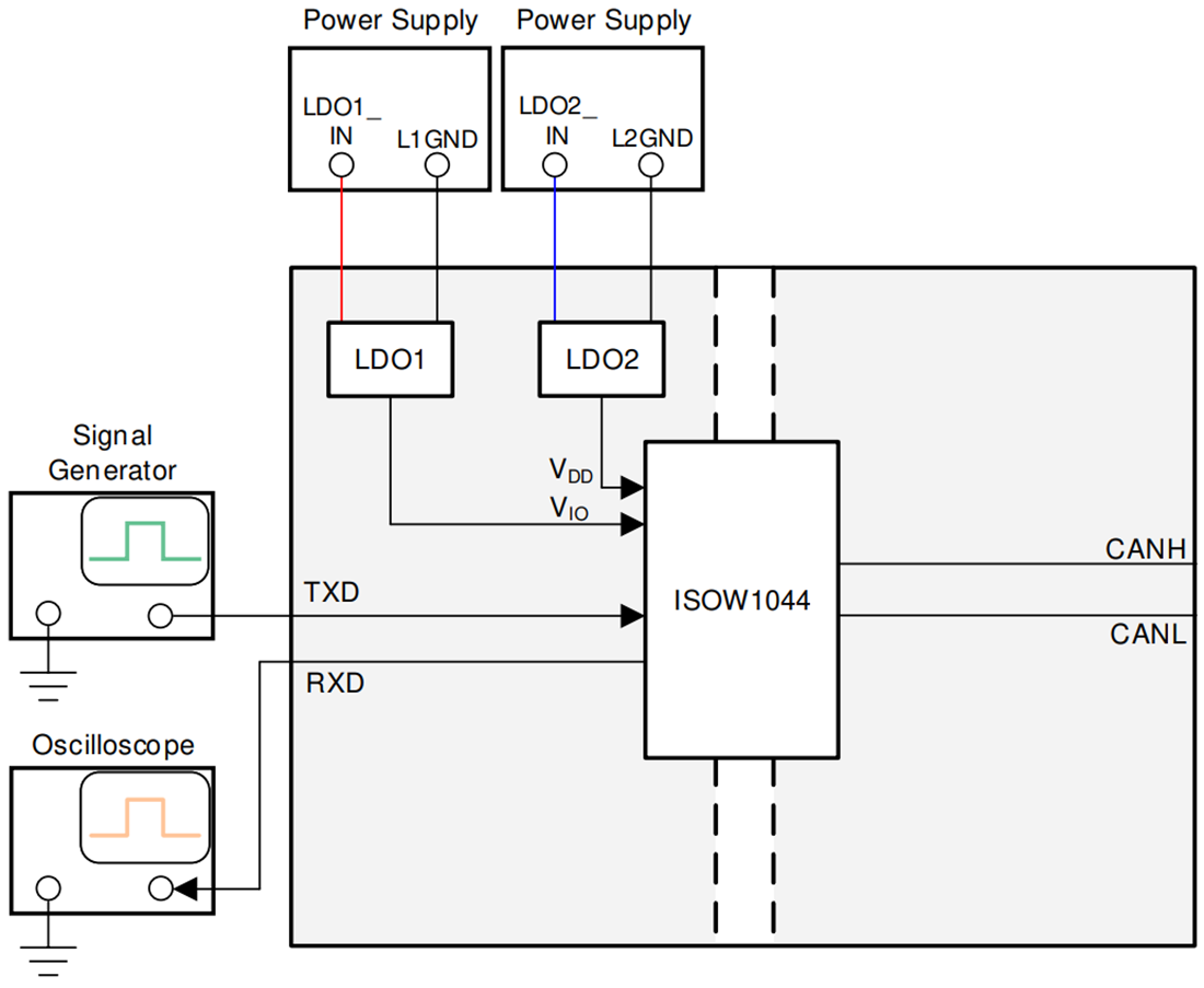
Texas Instruments ISOW1044DFMEVM收发器评估模块(EVM) 用于评估ISOW1044。ISOW1044是一款高性能5000VRMS增强型隔离式CAN收发器,集成了高效率、低辐射直流-直流转换器ISOW1044,采用20引脚WB SOIC封装(封装代码为DFM)。ISOW1044DFMEVM使用户能够彻底评估ISOW1044器件,然后将器件集成到其设计中。为便于评估模块由各种电源(包括稳压电源、标准直流适配器和电池)供电,该评估模块包括两个可调输出LDO (LM317M)。这些LDO连接ISOW1044的VIO和VDD引脚。这种连接支持LDO输入连接更宽范围的电源电压。该评估模块正常运行的最佳电压为9V至12V。Texas Instruments ISOW1044DFMEVM还包括一个板载振荡器 (LTC6908-1),可以通过0Ω电阻器连接到ISOW1044的输入引脚(TXD和IN)。该振荡器有助于提供快速测试信号,验证器件的运行情况。特性
- 高性能、5000VRMS增强型隔离式CAN收发器,集成了高效率、低辐射直流-直流转换器
- 独立IO和直流/直流电源输入
- 宽IO电源电压范围:1.71V至5.5V
- 支持CAN FD
- 符合CISPR 32 B类辐射发射限制
- 该评估模块经过测试,包含用于评估器件ISOW1044的配置
测试设置
发布日期: 2021-05-17
| 更新日期: 2022-03-11
