特性
- 100Mbps数据速率
- 低排放、低噪声的集成式直流-直流转换器
- 辐射经过优化,符合CISPR 32和EN 55032 B类标准,在2层电路板上的裕度>5dB
- 25MHz的低频电源转换器可实现低噪声性能
- 低输出纹波:24mV
- 高效率输出功率
- 最大负载时的效率:46%
- 高达0.55W的输出功率
- VISOOUT精度:±5%
- 最大可用负载电流:110mA(5V至5V时)
- 最大可用负载电流:140mA(5V至3.3V时)
- 最大可用负载电流:60mA(3.3V至3.3V时)
- 支持多ISOW7721链将系统功率输出提高到>1W和>200mA
- 用于通道隔离器和电源转换器的独立电源
- 逻辑电源 (VIO):1.71V至5.5V
- 电源转换器电源 (VDD):3V至5.5V
- 稳健的电磁兼容性 (EMC)
- 系统级ESD、EFT和浪涌抗扰性
- ±8kV IEC 61000-4-2接触放电保护(整个隔离栅)
- 增强型和基础型隔离选项
- 高CMTI:100kV/µs(典型值)
- 安全相关认证(计划中)
- 符合DIN VDE V 0884-11:2017-01标准的VDE增强型和基础型绝缘
- UL 1577组件认证计划
- IEC 62368-1、IEC 61010-1、IEC 60601-1和GB 4943.1-2011认证
- 扩展温度范围:40°C至+125°C
- 20引脚宽体SOIC封装
应用
- 工厂自动化
- 电机控制
- 电网基础设施
- 医疗设备
- 测试与测量
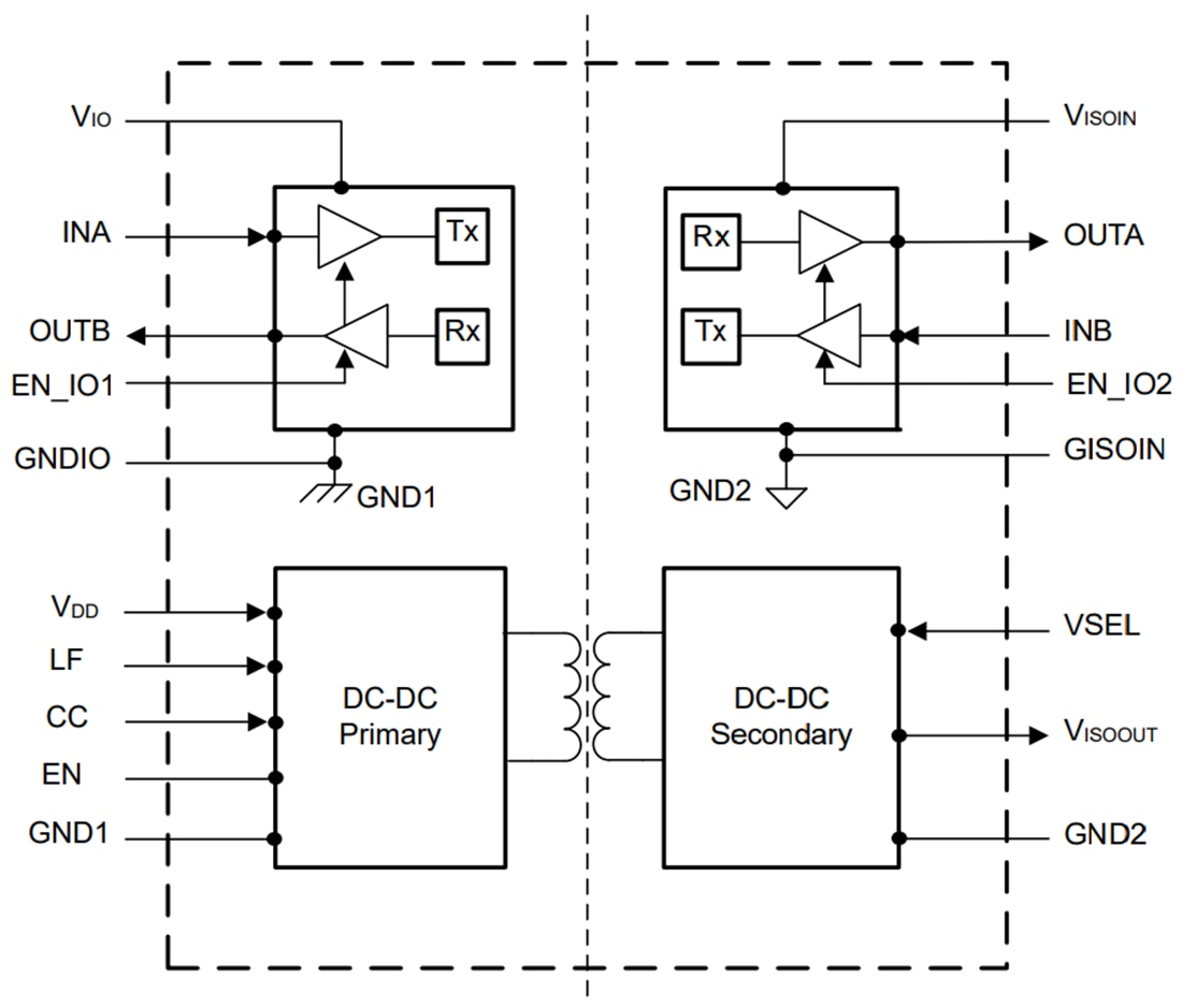
简化示意图
发布日期: 2022-08-26
| 更新日期: 2022-09-02

