Texas Instruments ISOW774x/ISOW774x-Q1四通道数字隔离器
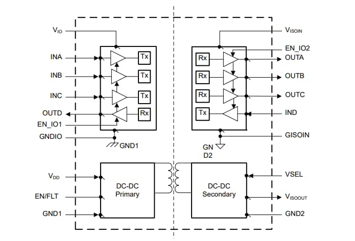
Texas Instruments ISOW774x/ISOW774x-Q1四通道数字隔离器对集成式高效低辐射直流/直流转换器进行电隔离。集成式DC-DC转换器支持高达550mW的隔离功率,从而使得在空间受限的隔离设计中无需单独的隔离电源。TI ISOW774x/ISOW774x-Q1四通道数字隔离器在隔离CMOS或LVCMOS数字I/O的同时具有高电磁抗扰度。该隔离器有助于防止诸如UART、SPI、RS-485、RS-232、CAN或其他电路等数据总线上的噪声电流进入局部接地并干扰或损坏敏感电路。ISOW774x/ISOW774x-Q1采用20引脚SOIC宽体(SOIC-WB)DFM封装,可在 –40°C至+125°C的宽工作环境温度范围内运行。特性
- 符合汽车应用标准
- 符合AEC-Q100认证,结果如下:
- 器件温度1级:-40°C至+125°C环境温度范围
- 低辐射、低噪声的集成式DC-DC转换器
- 辐射经过优化,符合CISPR 32和EN 55032 B类标准,在2层电路板上的裕度>5dB
- 25MHz时,低频电源转换器可实现低噪声性能
- 低输出纹波:24mV
- 高效率输出功率
- 最大负载时的效率:46%
- 高达0.55W的输出功率
- VISOOUT 精度:5%
- 5V至5V:最大可用负载电流 = 110mA
- 5V至3.3V:最大可用负载电流=140mA
- 3.3V至3.3V:最大可用负载电流=60mA
- 用于通道隔离器和电源转换器的独立电源
- 逻辑电源(VIO):1.71V至5.5V
- 电源转换器电源(VDD):3V至5.5V
- 100Mbps数据速率
- 稳健的电磁兼容性 (EMC)
- 系统级ESD、EFT和浪涌抗扰性
- ±8kV IEC 61000-4-2接触放电保护(整个隔离栅)
- 增强型和基础型隔离选项
- 高CMTI:100kV/µs(典型值)
- 安全相关认证(计划中)
- 符合DIN VDE V 0884-11:2017-01标准的VDE增强型和基础型绝缘
- UL 1577组件认证计划
- IEC 62368-1、IEC 61010-1、IEC 60601-1和GB 4943.1-2011认证
- 扩展温度范围:–40°C至+125°C
- 20引脚宽体SOIC封装
应用
- 工厂自动化
- 电机控制
- 电网基础设施
- 医疗设备
- 测试与测量
视频
简化示意图
数据手册
发布日期: 2022-03-31
| 更新日期: 2023-05-17
