Texas Instruments LM2577x SIMPLE SWITCHER®稳压器

Texas Instruments LM2577x SIMPLE SWITCHER®稳压器是单片IC,可为降压、反激式和正激式转换器开关稳压器提供所有有源功能。这些稳压器能够驱动3A负载,具有出色的线路和负载调节性能。LM2576x器件可提供3.3V、5V、12V、15V的固定版本和可调节输出版本。LM2576x稳压器可为常用三端线性稳压器提供高效替代方案。这些稳压器具有高效率、TTL关断功能,显著简化了开关模式电源的设计。

特性

  • 需要极少外部元件
  • NPN输出开关3A电流,具有65V关断电压
  • 宽输入电压范围:3.5V至40V
  • 电流模式操作可改善瞬态响应、线路调节和电流限制
  • 52kHz内部振荡器
  • 软启动功能可降低启动期间的浪涌电流
  • 输出开关具有电流限制、欠压锁定和热关断保护特性

应用

  • 简单的升压稳压器
  • 反激式和正激式稳压器
  • 多输出稳压器

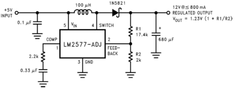
应用电路

应用电路图 - Texas Instruments LM2577x SIMPLE SWITCHER®稳压器
发布日期: 2019-07-19 | 更新日期: 2023-10-02