TI LM4041/LM4041xQ基准具有低动态阻抗、低噪声和低温度系数,可在宽工作电流和温度范围内支持稳定的输出电压。LM4041在晶圆类型中利用保险丝和Zener-zap反向击穿电压微调功能来提供四种输出电压容差,从A级的0.1%(最大值)到D级的1%(最大值)。因此,开发人员可以灵活地为应用选择最佳性价比。LM4041有固定型(标称电压1.225V)或可调型(需要外部电阻分压器将输出设置为1.225V至10V之间的值)。
LM4041还设计用于便携式应用,采用节省空间的SC-70和SOT-23-3封装,最小电流为45μA(典型值)。TO-92封装还可满足通孔封装要求。LM4041xI的工作环境温度范围为-40°C至+85°C,LM4041xQ的工作环境温度范围为-40°C至+125°C。
特性
- 1.225V固定和可调输出(1.225V至10V)
- 输出公差小,温度系数低
- 最大0.1%,100ppm/°C – A级
- 最高0.2%,100ppm/°C - B级
- 最高0.5%,100ppm/°C – C级
- 最高1.0%,150ppm/°C - D级
- 低输出噪声:20μVRMS(典型值)
- 宽工作电流范围:45μA(典型值)至12mA
- 对所有电容性负载均保持稳定;无需输出电容器
- 这些器件采用
- 工业温度范围:-40°C至+85°C
- 扩展温度范围:-40°C至+125°C
应用
- 数据采集系统
- 电源和电源监控器
- 仪器仪表和测试设备
- 过程控制
- 精密音频
- 汽车电子设备
- 能源管理/计量
- 电池供电设备
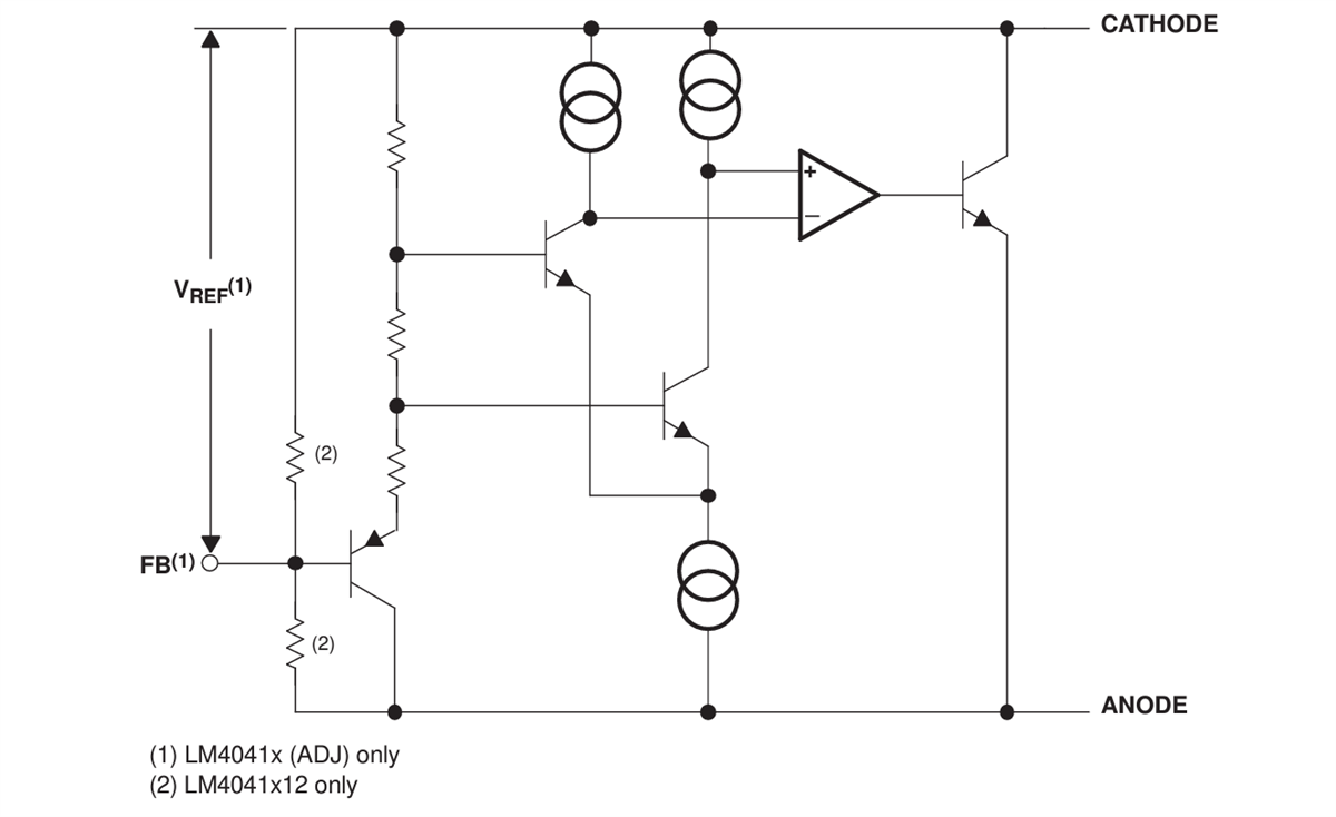
功能框图
引脚配置
发布日期: 2025-01-17
| 更新日期: 2025-01-28

