TI LM51231-Q1升压控制器具有内置保护功能,例如峰值电流限制(通过VSUPPLY保持恒定)、过压保护和热关断。外部时钟同步、可编程扩频调制以及具有最小寄生效应的无引线封装进一步降低EMI和避免串扰。其他特性包括线路UVLO、FPWM、二极管仿真、DCR电感器电流检测、可编程软启动和电源状态良好指示器。
特性
- 符合汽车应用类AEC-Q100标准
- 温度等级1:-40°C至+125°C,TA
- 支持功能安全
- 来辅助功能安全系统设计的文档
- 适合用于各种汽车电池供电应用
- 输入工作电压范围:3.8V至42V
- 动态可编程VOUT:5V至20V,或15V至57V
- 最低升压输入:0.8 V(偏置≥3.8 V时)
- 当 VSUPPLY > VLOAD 时旁路运行
- 偏置关断电流:≤3μA
- 小尺寸解决方案
- 最大开关频率:2.2MHz
- 内部启动二极管
- QFN-20,带可湿性侧翼
- EMI抑制,避免AM频段干扰和串扰
- 可选时钟同步
- 开关频率范围:100kHz至2.2MHz
- 可选开关模式(FPWM、二极管仿真)
- 可选可编程扩频
- 无引线封装
- 可编程性和灵活性
- 动态VOUT 跟踪
- 动态开关频率编程
- 支持DCR电感器电流检测
- 可编程输入电压UVLO
- 可调节软启动
- 自适应死区时间
- 电源良好指示器
- 集成保护功能
- 在整个VSUPPLY 范围内实现恒定的逐周期峰值电流限制
- 过压保护
- HB-SW短路保护
- 热关断
应用
- 具有跟踪功能的汽车音频电源
- 汽车LED偏置电源
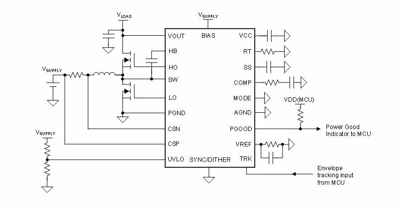
典型应用
发布日期: 2022-12-20
| 更新日期: 2025-03-05

