Texas Instruments LM5140-Q1 双路低 Iq 值同步降压控制器

Texas Instruments LM5140-Q1 双路低 Iq 值同步降压控制器用于高电压宽 VIN 降压转换器应用。 控制方法基于电流模式控制。 电流模式控制可提供内部线路前馈、逐周期电流限制和简化的环路补偿。 LM5140-Q1 可调节转换率控制功能,能够简化 CISPR 和汽车级电磁干扰 (EMI) 要求的合规性。 LM5140-Q1 可在 2.2MHz 或 440kHz 的可选开关频率下运行,两条控制器通道发生 180º 出相。 在轻负载或无负载条件下,LM5140-Q1 通过在跳周期模式下运行来提升低功耗效率。

特性

  • AEC-Q100 grade 1 qualified (TA =–40ºC to 125ºC)
  • Input operating range from 3.8V to 65V (70V absolute maximum)
  • Two interleaved buck controllers with
    • VOUT1 fixed 3.3V, 5V, or adjustable from 1.5V to 15V, accuracy ±1%
    • VOUT2 fixed 5V, 8V, or adjustable from 1.5V to 15V, accuracy ±1%
  • Fixed 2.2MHz or 440kHz switching frequency, accuracy ±7%
  • Optional synchronization to an external clock
  • SYNC output clock for additional converters
  • Shutdown mode current: 9µA typical
  • No load standby current: 35µA typical (one channel operating)
  • Current limit threshold programmable to 50mV or 75mV, accuracy ±10%
  • Independent enable inputs for VOUT1 and VOUT2
  • Hiccup mode protection for sustained overload
  • Independent power good outputs
  • High-side and low-side gate drivers with
    • Adjustable slew rate control
    • Selectable diode emulation or continuous
    • Conduction at light load
  • VQFN-40 package with wettable flanks

应用

  • Automotive electronics
  • Infotainment systems
  • Instrument clusters
  • Advanced Driver Assistance (ADAS)

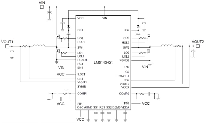
Application Schematic

原理图 - Texas Instruments LM5140-Q1 双路低 Iq 值同步降压控制器
发布日期: 2016-04-13 | 更新日期: 2025-03-06