LM5148/LM5148-Q1的其他特性包括150°C 最大工作结温、可在轻负载条件下降低电流消耗的用户可选二极管仿真功能、用于故障报告和输出监控的开漏电源正常标志、精密使能输入、单调启动至预偏置负载、集成VCC 偏置电源稳压器、3ms内部软启动时间以及带自动恢复功能的热关断保护。M5148/LM5148-Q1控制器采用3.5mm × 5.5mm热增强型24引脚VQFN封装。Texas InstrumentsLM5148-Q1器件符合汽车应用AEC-Q100标准。
特性
- 支持功能安全
- 有助于进行功能安全系统设计的文档
- 通用同步降压直流/直流控制器
- 宽温度输入电压范围范围:3.5V至80V
- 1%准确度,固定3.3V、5V、12V或0.8V至55V可调输出
- 最高结温:150°C
- 无损DCR或分流电流检测
- 关断时的静态电流为2.3µA
- 空载睡眠电流为9.5µA
- 3ms的内部软启动斜坡
- 最多可堆叠两个相位
- 内部自举二极管
- 集成EMI抑制
- 可选双随机扩频 (DRSS) 功能,可提高低频段和高频段的EMI性能
- 优化满足CISPR 32 B类要求
- 开关频率范围:100kHz至2.2MHz
- 同步输入和同步输出功能
- 可选PFM或FPWM模式
- 固有保护特性,可实现稳健设计
- 内部断续模式过流保护
- ENABLE和PGOOD功能
- VCC 、VDDA和栅极驱动UVLO保护
- 内部或外部环路补偿
- 具有迟滞功能的热关断保护
应用
- 楼宇自动化
- 工业运输
- 供电
- 测试与测量
- 航空航天与国防
数据手册
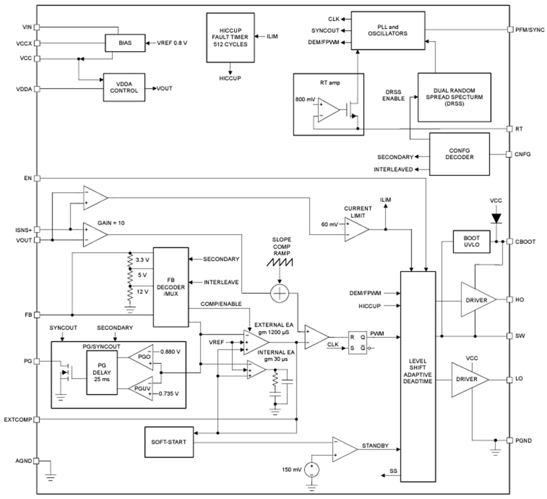
功能框图
发布日期: 2023-03-14
| 更新日期: 2023-04-19

