Texas Instruments LM51772四开关降压-升压控制器
Texas Instruments LM51772四开关降压-升压控制器可在输入电压高于、等于或低于调整后的输出电压时提供稳压输出电压。在省电模式下,该器件可在整个输出工作范围内实现极高的效率。LM51772以固定的开关频率运行,可通过RT/SYNC引脚进行设置。在强制PWM模式中,开关频率在降压、升压和降压-升压运行期间保持不变。外部补偿引脚可为不同应用提供非常快的瞬态响应。该器件在整个工作模式下保持较小的模式转换纹波。输出电压和器件配置可通过集成的I2C接口进行动态编程。集成和可选的高压侧电流传感器具有精确的输出或输入电流限制。Texas Instruments LM51772的平均电流限值也可通过I2C接口进行配置。特性
- 输入范围从0V (V(BIAS) ≥ 3.5V)到55V
- 输出电压:1V至55V
- 通过I2C动态编程Vo,范围为:
- 在20mV单调步幅下,输出电压从3.3V至高达48V
- 在10mV单调步骤下,输出电压从1V至高达24V
- 峰值电流调节控制
- 整体工作模式的电压过渡纹波小
- 动态输出电压跟踪(数字PWM跟踪输入、模拟跟踪输入)
- 通过I2C接口编程
- 关断静态电流:3µA
- 工作静态电流:60µA
- 用于外部FET控制的DRV引脚
- 在轻负载和高负载条件下选择高效运行模式
- 省电模式(突发/µSleep)
- 自动/可编程传导模式
- 集成式高压电源LDO
- 辅助高压LDO/基准电压
- 集成全桥栅极驱动
- 峰值电流能力:2A
- 自举过压和欠压保护
- 集成式自举二极管
- 与工作模式(升压、降压-升压、降压)无关的固定频率
- 可选择强制PWM模式
- 开关频率:从100kHz到2.2MHz
- 外部时钟同步和时钟输出
- 可选择扩频操作
- 平均输入或输出电流传感器
- 可按50mA (500µV) 的阶跃从0.5A (5mV) 编程到 7A (70mV)
- ISET引脚可选
- I2C接口监测数据读取
应用
- USB Type-C™电源传输(扩展坞、电脑显示器、台式电脑)
- 无线充电
- 工业PC/强固型PC
- 备用电池装置
- 商用直流/直流转换器
- 航空电子设备/潜艇声呐
- 非公路车辆
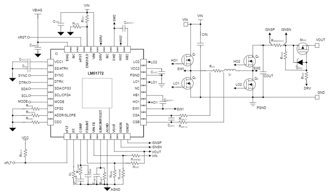
典型应用示意图
发布日期: 2024-08-16
| 更新日期: 2024-08-26
