Texas Instruments LM614xT-Q1汽车用降压转换器
Texas Integrated LM614xT-Q1汽车降压转换器针对功率密度和低EMI进行了优化,采用双面冷却的散热增强型封装。这些转换器具有3V至36V输入电压范围、5V输出电压、2.2MHz开关频率以及10A连续最大输出电流。LM614xT-Q1转换器的工作频率范围高于和低于AM无线电频段(引脚可配置400kHz和2.2MHz固定或200kHz至2.2MHz可调)。这些转换器包括可调SW节点上升时间、引脚可配置扩频和低输入电感封装。LM614xT-Q1器件符合汽车应用类AEC-Q100认证。典型应用包括汽车信息娱乐和仪表板以及高级辅助驾驶系统(ADAS)。LM614xT-Q1转换器包括内置补偿、软启动、限流、热关断和UVLO。这些转换器采用4.5mm × 3.5mm可湿性侧翼QFN封装,结温范围为-40°C至+150°C。
特性
- 符合汽车应用类AEC-Q100标准:
- 环境工作温度范围:-40°C至125°C(温度1级)
- 支持功能安全:
- 可提供文档,协助功能安全系统设计
- 输入电压范围:3 V至36 V
- 旨在实现低EMI:
- 符合CISPR 25 5类标准的EVM
- 引脚可配置扩频
- 可调节SW节点上升时间
- 高于和低于AM频段运行:引脚可配置400kHz和2.2MHz固定或200kHz至2.2MHz可调
- 低EMI对称引脚分配
- 轻负载模式引脚可配置为恒定频率或脉冲频率调制(PFM)
- 高效设计:
- 8A负载效率达到95%(5VOUT 时)
- 关断电流:< 1µA(典型值)
- 大功率密度:
- 内置补偿、软启动、限流、热关断和UVLO
- 4.5mm x 3.5mm可湿性侧翼QFN封
- 热增强型封装提供裸露的顶部和底部散热焊盘,并可实现RθJC(top) = 0.64°C/W的双面冷却
应用
- 汽车信息娱乐和仪表板
- 高级辅助驾驶系统(ADAS)
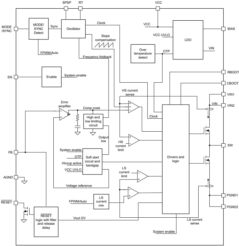
框图
EVM效率(VOUT = 5V,FSW = 2.2MHz)
原理图
其他资源
发布日期: 2025-01-23
| 更新日期: 2025-05-06
