LM62435-Q1专为降低EMI而设计。该器件具有伪随机扩频和可调节SW节点上升时间,采用低EMI的VQFN-HR封装,具有低开关节点振铃和易于使用的优化型引脚布局。开关频率可在200kHz至2.2MHz范围内同步,从而避开噪声敏感频段。此外,还可以选择频率,从而在低工作频率下提高效率,或在高工作频率下缩小解决方案尺寸。
自动模式可在轻负载运行时进行频率折返,实现仅为7µA(典型值)的空载电流消耗和高轻载效率。PWM和PFM模式之间无缝转换,以及非常低的MOSFET导通电阻和外部偏置输入,确保在整个负载范围内具有出色的效率。
特性
- 符合汽车应用类AEC-Q100标准
- 温度等级1:–40°C至+150°C,TJ
- 支持功能安全
- 可提供文档,协助功能安全系统设计
- 针对超低EMI要求进行了优化
- Hotrod™封装和并行输入路径可最大限度地减少开关节点振铃
- 扩频可减少峰值发射
- 可调节SW节点上升时间
- 引脚可选FPWM模式,用于轻负载时恒定频率
- 设计用于汽车应用
- 支持42V汽车负载突降
- 总输出调节精度:±1%
- VOUT 可在1V至95% VIN 之间调节,出厂时可选5V和3.3V固定输出电压
- 可在所有负载下进行高效电源转换
- 在13.5VIN 、3.3VOUT 下,具有7µA的空载电流
- 在1mA、13.5VIN 、5VOUT 下,PFM效率为83%
- 用于提升效率的外部偏置选项
- 适用于可扩展电源
- 与以下器件引脚兼容:
- LM62440-Q1(36V、4A、固定fSW)
- LM61460-Q1(36V、6A、可调fSW)
- 与以下器件引脚兼容:
应用
- 汽车信息娱乐和仪表板(音响主机、媒体中心、USB充电、显示器)
- 汽车ADAS和车身电子设备
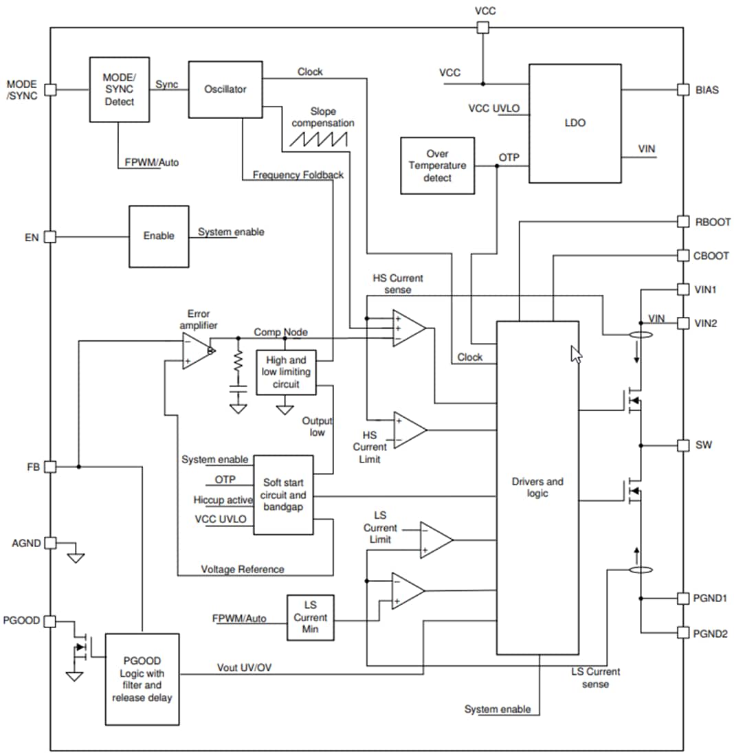
功能框图
发布日期: 2020-07-13
| 更新日期: 2025-03-06

