Texas Instruments LM644A2-Q1汽车降压转换器
Texas Instruments LM644A2-Q1汽车用降压转换器是一款36V同步直流/直流转换器,具有多相可堆叠性,采用双面冷却的散热增强型封装。该转换器采用交错、可堆叠、电流模式控制架构,可实现轻松环路补偿、快速瞬态响应以及出色的负载和线路调节。通过输出时钟实现精确的电流共享,支持6个相位,电流高达36A。LM644A2-Q1转换器的输入电压范围为3V至36V,开关频率范围为100kHz至2.2MHz,符合 CISPR 25 5类EMI要求。该转换器具有0.5µA(典型值)关断模式电流和9µA(典型值)空载待机电流,内置补偿和3ms软启动功能。LM644A2-Q1器件符合汽车应用类AEC-Q100认证。典型应用包括汽车驾驶舱和显示器、汽车ADAS和中央计算、车身电子产品和照明以及通用双路降压转换器。LM644A2-Q1转换器通过交错降低基本开关频率下的噪声,引脚启用的DRSS以及可实现低输入电感的对称VIN 引脚分配。该转换器包括内部固定软启动或可调软启动、独立使能输入、集成VCC偏置电源稳压器、断续模式过载保护和热关断保护。LM644A2-Q1转换器采用5mmx4mm增强型HotRod QFN 24引脚封装,设有扩展角端子,可改善BLR和可湿性侧翼。
特性
- 符合汽车应用类AEC-Q100标准:
- 环境工作温度范围:-40°C至+125°C(器件温度1级)
- 工作结温高达150°C
- 散热增强型封装提供裸露的顶部和底部散热焊盘,支持双面冷却
- 设计用于实现低EMI:
- 对称输入电压引脚,接地间隙为 > 1mm
- 引脚可选扩频选项
- 引脚可选FPWM或自动模式操作
- 具有可焊接侧翼的增强型HotRod™ QFN (25) 封装
- 开关频率范围:100kHz至2.2MHz
- 符合CISPR 25 5类EMI要求
- 单路和双路输出功能
- 宽输入电压范围:3 V至36 V
- 1%精度、3.3V/5V固定电压或0.8V至20V可调输出电压
- 跳闸模式过流保护和带迟滞的热关断保护
- 精确的ENABLE和PGOOD功能
- 50nstON(min),以实现高VIN/VOUT 比率
- 80nstOFF(min),可实现低压差
- 支持功能安全
- 可提供文档,协助功能安全系统设计
- 多功能双输出操作
- 关断模式电流:0.5µA(典型值)
- 空载待机电流:9 µA(典型值)
- 内置补偿和3ms软启动
- 独立精度的ENABLE和PGOOD
- 适应性的单输出操作
- 8A负载、单输出时效率>95%95%,VIN = 12V,VOUT = 5V
- 外部补偿和可调软启动
- PGOOD、SYNCIN和SYNCOUT功能
应用
- 汽车驾驶舱和显示器
- 汽车ADAS和中央计算
- 车身电子产品和照明
- 通用型双通道降压转换器
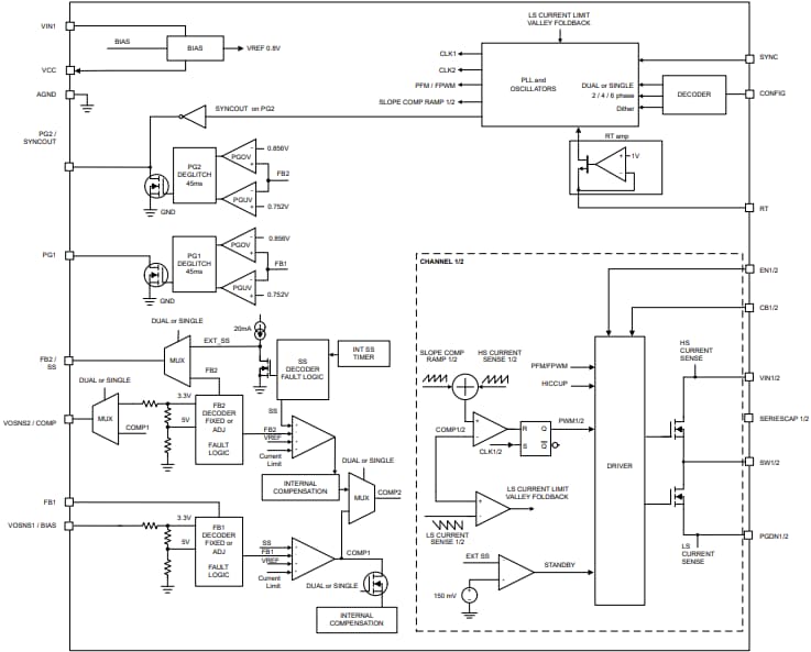
功能框图
其他资源
发布日期: 2025-01-23
| 更新日期: 2025-05-06
