LM65680/60/40采用可相位堆叠和同步交错架构,其峰值电流模式控制架构支持并联相位之间的精确电流共享,从而实现更高的输出电流。AUTO模式让轻载操作期间的频率折返成为可能,实现了高轻载效率;空载输入电流低至2.2µA,从而延长了电池供电系统的运行时间。高侧开关的最小导通时间为36ns,有助于实现大降压比,从而能够直接将24V或48V输入转换为低电压轨,降低了系统成本和复杂性。该封装在关键电源引脚之间有多个NC引脚,这改善了故障模式和影响分析 (FMEA) 的结果。
Texas Instruments LM65680/60/40采用4.5mm × 4.5mm散热增强型26引脚eQFN封装,引脚间隙更大,提高了可靠性。此外,还包括可湿性侧翼引脚,便于制造过程中的光学检测。LM65680/60/40采用倒装芯片可布线引线框架 (FCRLF) 封装技术,具有可用电流、寿命可靠性和成本优势,面向需要大功率密度的应用。宽输入电压范围、低静态电流、高温操作、循环电流限制、低EMI特性以及小设计占位面积,使其成为需要增强稳健性和耐用性应用的理想负载点稳压器。
特性
- 具备功能安全能力,提供文档以帮助进行IEC 61508-2系统设计
- 多功能同步降压式转换器系列
- 3.5 V 至 65 V 的宽输入电压范围
- 输出电流选项为4A、6A和8A
- 输出电压可调节,范围为0.8V至60V,或固定输出选项为3.3V和5V
- 最高结温:150 °C
- 高降压比转换最短导通时间tON(min):36ns
- ZEN 1开关技术
- 符合CISPR 11或32 B类标准
- “增强型HotRod™ QFN” (eQFN) 封装具有对称引脚分配设计和极小LLOOP
- 扩频 (DRSS) 和开关压摆率控制可减少峰值发射
- 将频率从300kHz切换为2.2MHz
- 自动 (AUTO)、FPWM或同步 (SYNC) 操作
- 在整个负载电流范围内均具有高效率
- 48VIN、12VOUT、8A、400kHz时效率95%
- 多相可堆叠,输出电流更高
- 双输入VCC子稳压器带BIAS选项
- VIN睡眠静态电流低至1.8µA
- 可靠性得到提高,因为优化了引脚分配设计和引脚间隙,方便对相邻引脚短路的测试,而VIN与PGND引脚的间隙更是做到了1.1mm
应用
- 工业自动化/测试测量
- 医疗成像系统、能源基础设施
- 企业系统、无线基础设施
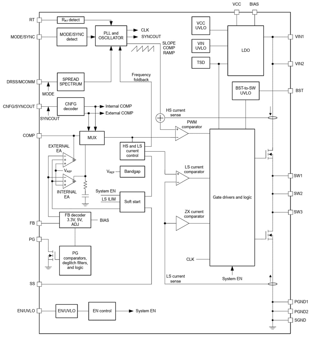
功能框图
发布日期: 2026-01-22
| 更新日期: 2026-01-27

