Texas Instruments LM656x5/LM656x5-Q1同步降压转换器
Texas Instruments LM656x5/LM656x5-Q1同步降压转换器为实现高效率、高功率密度和超低电磁干扰 (EMI) 而设计。该转换器工作在3V至65V(瞬间70V <100ms)宽输入电压范围内,减少了对外部输入浪涌保护的需求。lm656x5 m656x5-q1具有3.3v和5v(可引脚选择的)固定输出电压,或采用可调的配置。尽可能减少了回路电感,并优化了开关节点转换速度,让低emi运行得以实现。±5%或="" ±10%(可引脚选择的)双随机扩频="" (drss),通过三角和伪随机调制显著减少了峰值排放,同时保持输出电压纹波在极低水平。导通时间典型值只有30ns的电流模式控制架构,允许高频下转换比大,同时具有快速瞬时响应和出色的负载和线路调节能力。texas="" instruments="" lm656x5-q1器件通过了汽车应用类aec-q100标准。="">100ms)宽输入电压范围内,减少了对外部输入浪涌保护的需求。lm656x5>特性
- 3V至65V(瞬间70V<100ms)宽输入电压范围,符合lv148>100ms)宽输入电压范围,符合lv148>
- 为要求EMI低而设计
- 让符合CISPR 11 B级变得简单
- ±5%或±10%(模式可引脚配置的)双随机扩频,减少了峰值排放
- 引脚分配对称的增强型HotRod™ QFN封装
- 切换频率从300kHz到2.2MHz
- 可引脚配置的AUTO或FPWM运行
- 内部补偿、电流限制和热关断 (TSD)
- 导通时间仅为40ns(最大值)允许在高频下进行36VIN 到3.3VOUT 的转换。
- 在所有负载下电源转换效率高
- 峰值效率 > 94%(在24VIN 、5VOUT 、400kHz时)
- 空载开关输入电流为2.5µA
- 大功率密度
- 3.6mm × 2.6mm可润湿侧翼20引脚封装
- 与36V 4/6/8A LM654x0-Q1引脚兼容
- ϴJA = 24.0°C/W (LM65645EVM)
应用
- 工业运输系统
- 工厂自动化和控制系统
- 医疗成像系统
- 高级驾驶辅助系统 (ADAS) (LM656x5-Q1)
- 汽车信息娱乐和仪表盘 (LM656x5-Q1)
- 混合动力、电动和动力总成 (LM656x5-Q1)
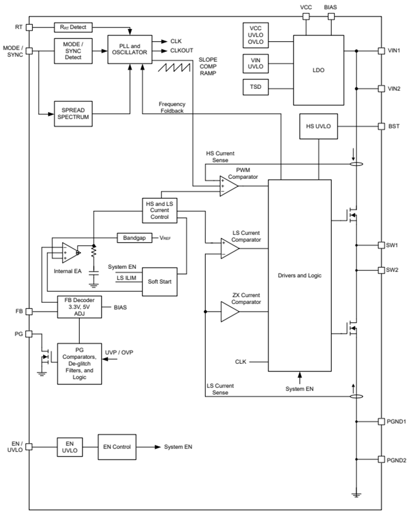
功能框图
发布日期: 2025-08-27
| 更新日期: 2025-09-09
