TI LM704A0-Q1提供独特的双随机扩频 (DRSS) 功能,该功能包含低频三角形和高频逐周期随机调制,在整个宽频带范围内增强了EMI性能。
LM704A0-Q1器件通过了汽车应用类AEC-Q100认证。
特性
- 通过了汽车应用类AEC-Q100认证,器件温度等级1:-40°C至+125°C环境工作温度
- 可提供功能安全文档来辅助功能安全系统的设计
- 采用多功能降压控制器和稳健型功率MOSFET的同步DC/DC转换器
- 宽输入电压范围:4.5 V至45 V
- 关闭模式电流:2.3µA
- 12V至5V调节,空载IQ 为15.5µA
- 固定3.3V、5V、12V或0.8V至36V可调输出的精度:1%
- 双相运行让输出电流可达16A
- 为低EMI的要求而设计
- 有利于达到CISPR 25 5级合规性
- 可用引脚选择的±8%双随机扩频减少了发射峰值
- 200kHz至2.2MHz开关频率
- 引脚可配置自动或FPWM运行
- 固有保护特性实现稳健设计
- 内部打嗝模式过流保护
- 使能、电源良好和热关断
- 内部或外部环路补偿
- 6mm x 6mm优化了散热符合RoHS指令采用无铅电镀的QFN-29封装
- 通过WEBENCH® 电源设计器,使用LM704A0-Q1打造定制设计
应用
- 汽车电子系统
- 高级驾驶辅助系统 (ADAS)
- 信息娱乐与仪表板
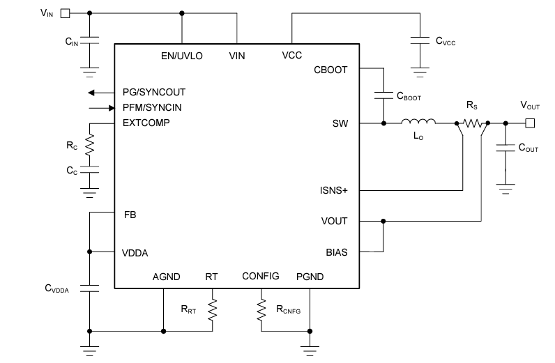
典型应用电路
发布日期: 2024-10-29
| 更新日期: 2025-05-09

