Texas Instruments LM706x0/LM706x0-Q1降压转换器
Texas Instruments LM706x0/LM706x0-Q1降压转换器具有4.5V至65V的输入电压范围和在固定输出电压(3.3V、5V、12V)下高达10A的输出电流或可调的输出电压。LM706x0/LM706x0-Q1低IQ 、宽VIN 同步降压转换器采用峰值电流模式控制架构,可轻松实现环路补偿、快速瞬态响应以及出色的负载和线路调节。可将一对LM706A0-Q1转换器设置为交错模式(并联输出),通过精确的电流共享,满足高达20A的输出电流需求。LM706A0-Q1提供独特的双随机扩频 (DRSS) 功能该功能包含低频三角形和高频逐周期随机调制,在宽频带范围内增强了EMI性能。TI LM706x0-Q1转换器采用6mm×6mm热优化29引脚QFN封装。三个裸片连接焊盘(VIN、SW和PGND)提高了热性能和板级可靠性(BLR)。LM706x0-Q1器件通过了汽车应用类AEC-Q100认证。
特性
- 通过了汽车应用类AEC-Q100认证,器件温度等级 1,环境工作温度为-40°C至+125°C
- 可提供功能安全文档来辅助功能安全系统的设计
- 采用多功能降压控制器和稳健型功率MOSFET的同步DC/DC转换器
- 宽输入电压范围:4.5 V至65 V
- 关闭模式电流:2.3µA
- 将24V调节至5V的空载IQ :10.4µA
- 3.3V、5V、12V固定或0.8V至36V可调输出精度:1%
- 双相运行让输出电流可达16A
- 为低EMI要求而设计
- 有利于达到CISPR 25 5级合规性
- 可用引脚选择的±8%双随机扩频减少了峰值发射
- 200kHz至2.2MHz的开关频率
- 引脚可配置自动或FPWM运行
- 固有保护特性可实现稳健设计
- 内部打嗝模式过流保护
- 使能、电源良好和热关断
- 内部或外部环路补偿
- 6mm x 6mm优化了散热符合RoHS指令采用无铅电镀的QFN-29封装
- 使用LM706A0-Q1并借助WEBENCH®Power Designer创建定制设计方案
应用
- 汽车电子系统
- 高级驾驶辅助系统 (ADAS)
- 信息娱乐与仪表板
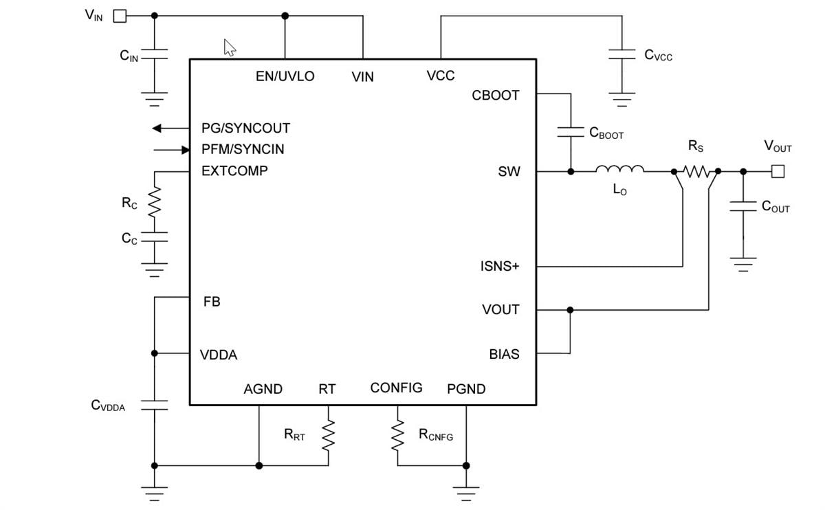
典型应用电路
发布日期: 2024-10-30
| 更新日期: 2025-05-09
