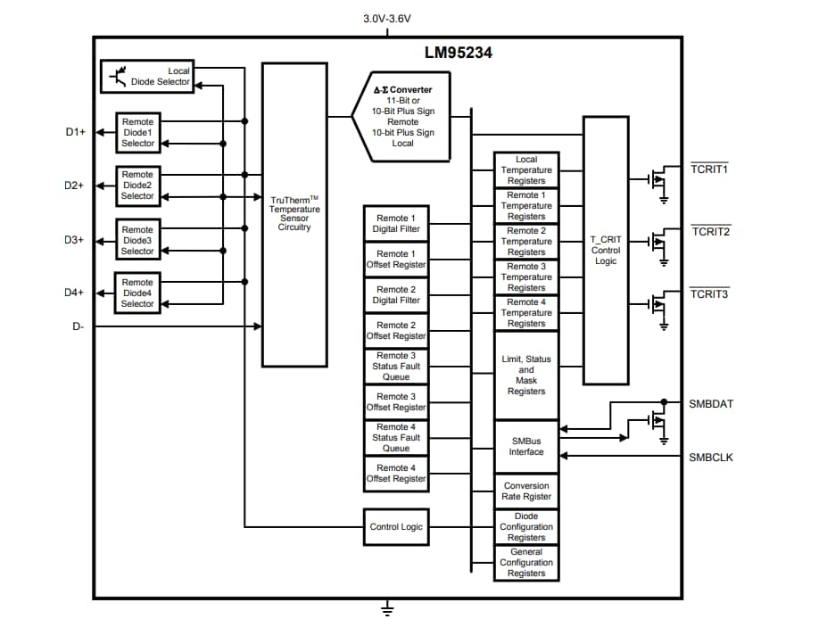
LM95234传感器可针对+127.875°C/-128°C温度范围和0°C/255°C温度范围报告两种不同格式的温度。当任何未屏蔽通道超出其相应的可编程限值时,LM95234 TCRIT1、TCRIT2和TCRIT3输出将被触发,并可用于关闭系统,以打开系统风扇或用作微控制器中断功能。状态寄存器通过屏蔽寄存器读取TCRIT1、TCRIT2和TCRIT3引脚的当前状态,以进一步控制TCRIT输出。
每个LM95234通道均包含用于亚微米工艺或2N3904二极管型号选择的寄存器以及偏移校正,可提供出色的灵活性和精度。三级地址引脚支持最多三个LM95234与同一SMBus主机进行连接。LM95234具有各种省电功能,包括可编程转换速率、关断模式和禁用未使用通道。
特性
- 本地温度精度:±2.0°C(最大值)
- 远程二极管温度精度:±0.875°C(最大值)
- 3.0V至3.6V电源电压
- 平均电源电流(1Hz转换率)
- 精确检测4个远程IC或二极管结的芯片温度和本地温度
- TruTherm BJT Beta补偿技术可精确检测亚微米工艺热二极管
- 可编程数字滤波器和模拟前端滤波器
- LSb温度分辨率:0.125°C
- 通过数字滤波器实现0.03125°C LSb远程温度分辨率
- +127.875°C/–128°C和0°C/255°C远程范围
- 远程二极管故障检测、型号选择和偏移校正
- 支持屏蔽寄存器和状态寄存器
- 3个可编程TCRIT输出,带可编程共享迟滞和故障队列
- 可编程转换速率和关断模式单次转换控制
- SMBus 2.0兼容接口,支持TIMEOUT
- 三级地址引脚
- 14引脚WSON封装
应用
- 处理器/计算机系统热管理(例如 笔记本电脑、台式电脑、工作站、服务器)
- 电子测试设备
- 办公电子
框图
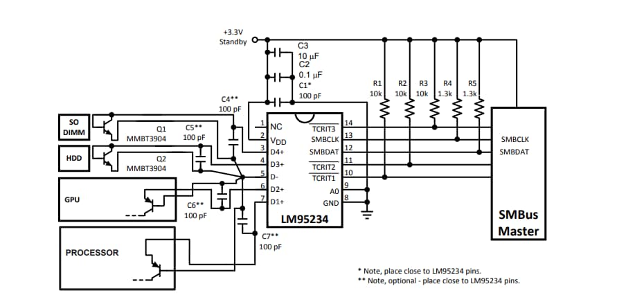
典型应用
Additional Resources
发布日期: 2019-05-28
| 更新日期: 2023-10-31

