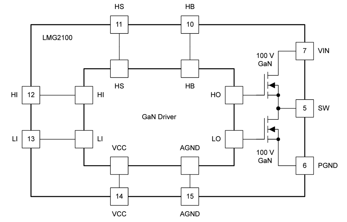
TI LMG2100R026功率级采用7.0mmx4.5mmx0.89mm的无铅封装,易于安装在PCB上。TTL逻辑兼容输入可以支持3.3V和5V逻辑电平,无论VCC 电压如何。专有的自启动电压箝位技术可保证增强模式GaN场效应管的栅极电压在安全的工作范围内。该器件通过提供更好的用户友好接口扩展了分立式GaN FET的优势。该器件是需要在小尺寸下进行高频、高效操作应用的理想解决方案。
特性
- 集成式半桥GaN FET和驱动器
- 93V连续、100V脉冲电压额定值
- 优化封装,便于PCB布局
- 高转换速度开关,低振铃
- 5V外置偏置电源
- 支持3.3V和5V输入逻辑电平
- 栅极驱动器可达10MHz开关频率
- 低功率功耗
- 出色的传播延迟(典型值为33ns)和匹配度(典型值为2ns)
- 内部自举电源电压钳位,防止GaN FET过驱动
- 电源轨欠压保护,防止锁定
- 顶部暴露QFN封装,便于顶部散热
- 大型GND焊盘,便于底部散热
应用
- 降压、升压、降压-升压转换器
- LLC转换器
- 太阳能逆变器
- 电信和服务器电源
- 电机驱动器
- 电动工具
- D类音频放大器
简化框图
传播延迟和失配
发布日期: 2025-01-17
| 更新日期: 2025-04-16

