高侧GaN功率FET可以使用低侧参考栅极驱动器引脚 (INH) 或高侧参考栅极驱动器引脚 (GDH) 进行控制。高侧栅极驱动器信号电平移位器在具有挑战性的电源开关环境中可靠地将INH引脚信号传输到高侧栅极驱动器。智能开关GaN自举FET没有二极管正向压降,避免了高侧电源过充电,具有零反向恢复电荷。
德州仪器 (Texas Instruments) LMG2656支持转换器轻负载效率要求和突发模式操作,具有低静态电流和快速启动时间。保护功能包括:FET导通互锁、欠电压锁定 (UVLO)、逐周期电流限制和过热关闭。超低转换速度设置支持电机驱动应用。
特性
- 650V GaN功率FET半桥
- 230mΩ低侧和高侧GaN FET
- 低传播延迟 (<100ns)>100ns)>
- 可编程导通转换速度控制
- 高带宽、高精度电流感应仿真
- 低侧基准(INH)和高侧基准(GDH)高侧栅极驱动引脚
- 低侧(INL)/高侧(INH)栅极驱动联锁
- 高侧(INH)栅极驱动信号电平转换器
- 智能开关自举二极管功能
- 高侧启动<>
- 低侧/高侧逐周期过电流保护
- 过温保护
- AUX空闲静态电流:250µA
- 辅助待机静态电流:50µA
- BST空闲静态电流:70µA
- 8mm×6mm QFN封装,带双散热焊盘
应用
- AC/DC适配器和充电器
- AC/DC辅助电源
- 移动壁式充电器设计
- USB壁式电源插座
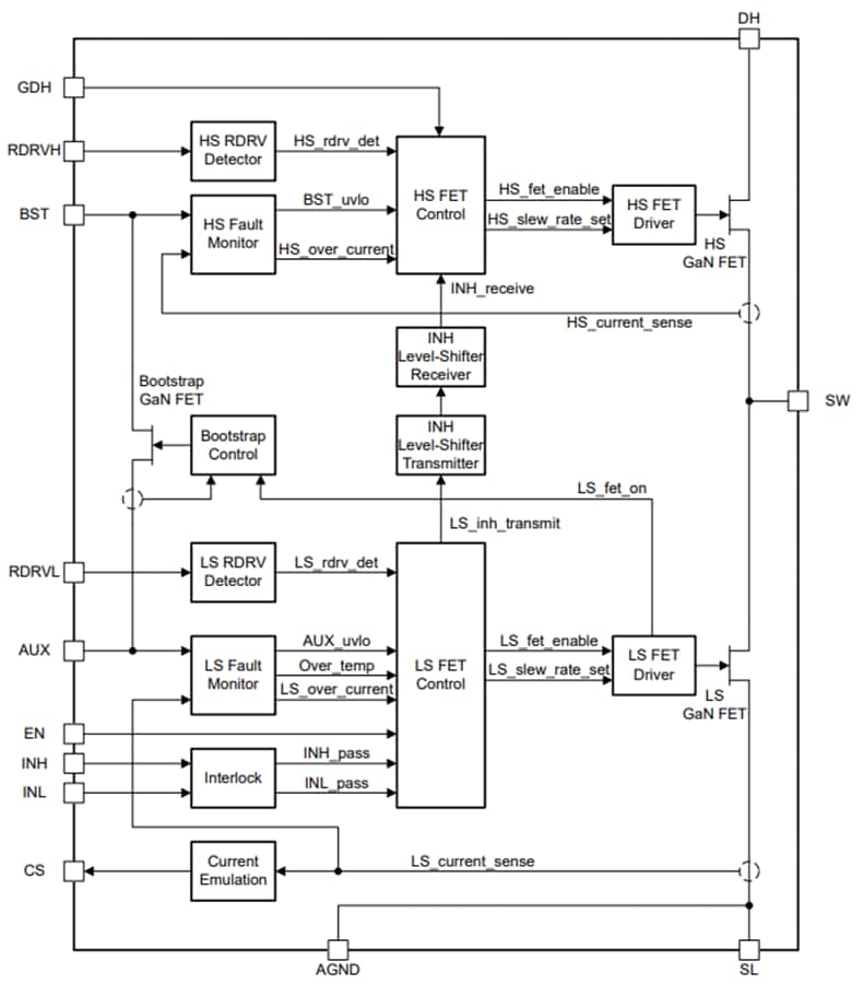
功能框图
发布日期: 2025-08-27
| 更新日期: 2025-09-09

